Curiosii for ever!
: Car repair manuals for everyone.
Home
>>
Saturn
>>
1993
>>
SL L4-1.9L DOHC VIN 7
>>
Repair and Diagnosis
>>
Restraints and Safety Systems
>>
Air Bag Systems
>>
Air Bag Control Module
>>
Locations
>>
System Component Locations
System Component Locations
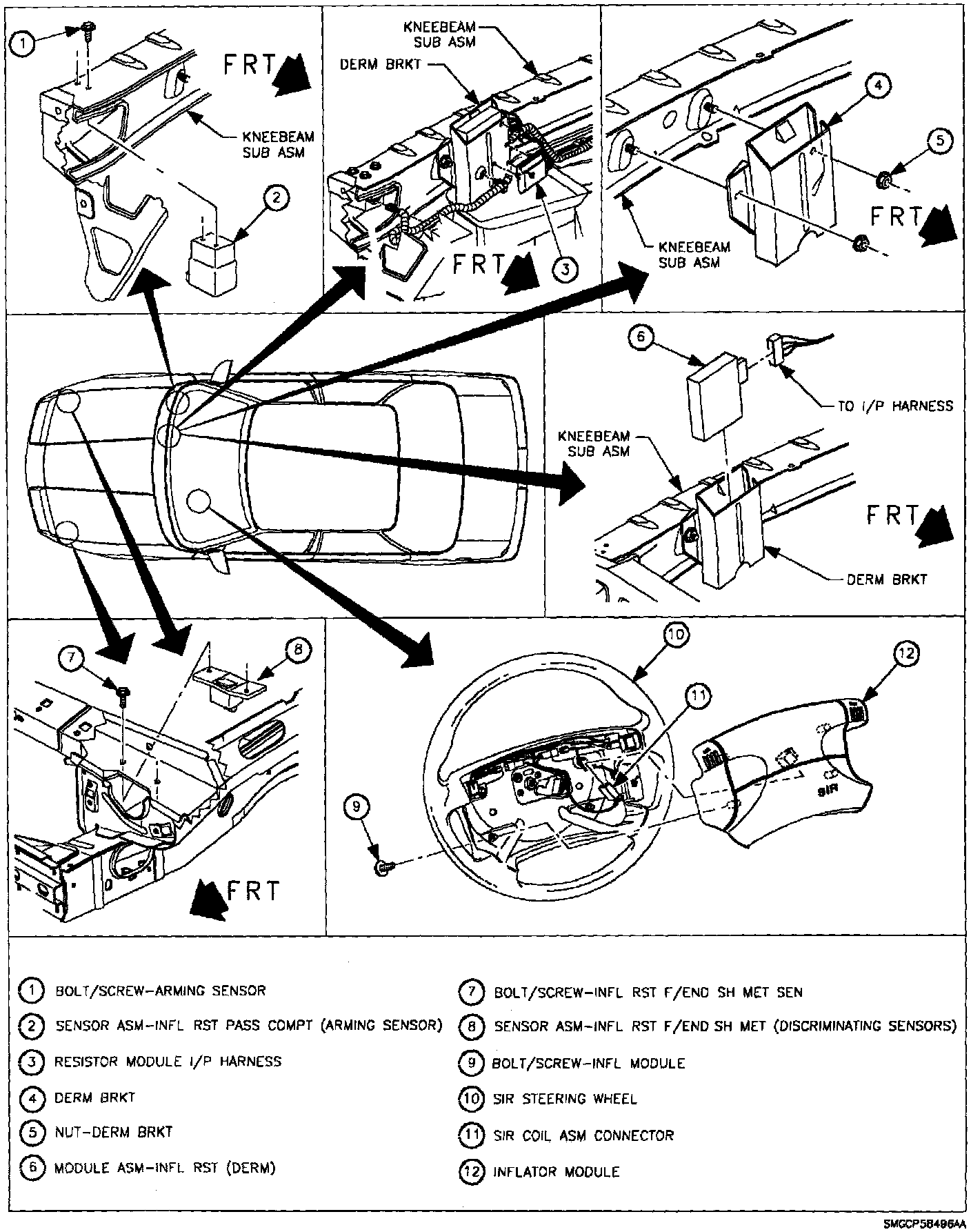
SIRS Component Locations: