Curiosii for ever!: Car repair manuals for everyone.

Powertrain Control Module (PCM)

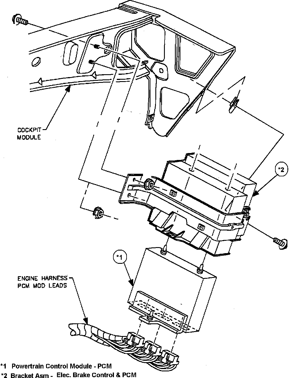
PCM Location - Under Left Hand Dash.:






LOCATION:




The PCM is located under the dashboard, to the left of the steering column. The ABS and PCM are mounted in the same carrier.

The ABS control module is outboard of the PCM, closest to the left kick panel.