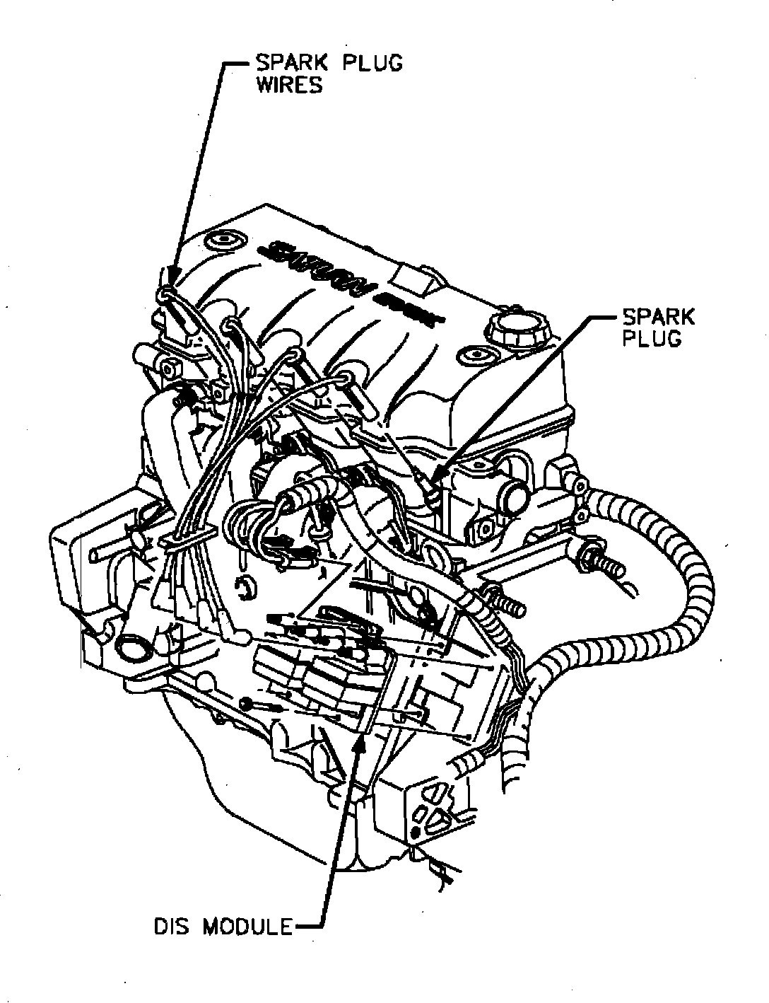
Spark Plug: Service and Repair
Spark Plug Wire Routing:
Spark Plug Wire Hookup Locations:
NOTE: Before removing the spark plugs make sure water and other debris in the spark plug wells are blown out.
CAUTION: Do not use a flexible extension socket to remove spark plugs. Damage could occur to the spark plug insulator.
NOTE: Use only a spark plug socket that has a rubber insert to hold the spark plug in place.
REMOVAL
1. Gently pull spark plug boots off of spark plugs. Twist boot during removal to break any bonding.
2. Remove spark plugs.
INSTALLATION
NOTE: If boot is torn or ripped a new wire must be installed.
NOTE: Make sure the gasket is on the spark plug.
1. Set gap on spark plugs to 1.02 mm (0.040 in).
2. Install spark plugs.
^ Torque: 27 Nm (20 ft lbs)
3. Inspect spark plug wires. Replace any wire that is worn or chaffed.
CAUTION: Do not repair leads from which the terminals have been pulled off. Replace the lead.
4. Install spark plug wires. Press boots onto spark plugs until click is heard or felt.
CAUTION: Install the spark plug wires on the correct spark plugs as indicated on each spark plug wire. Assure routing of wire on engine is away from moving parts and exhaust.