Curiosii for ever!: Car repair manuals for everyone.

Catalytic Converter: Service and Repair

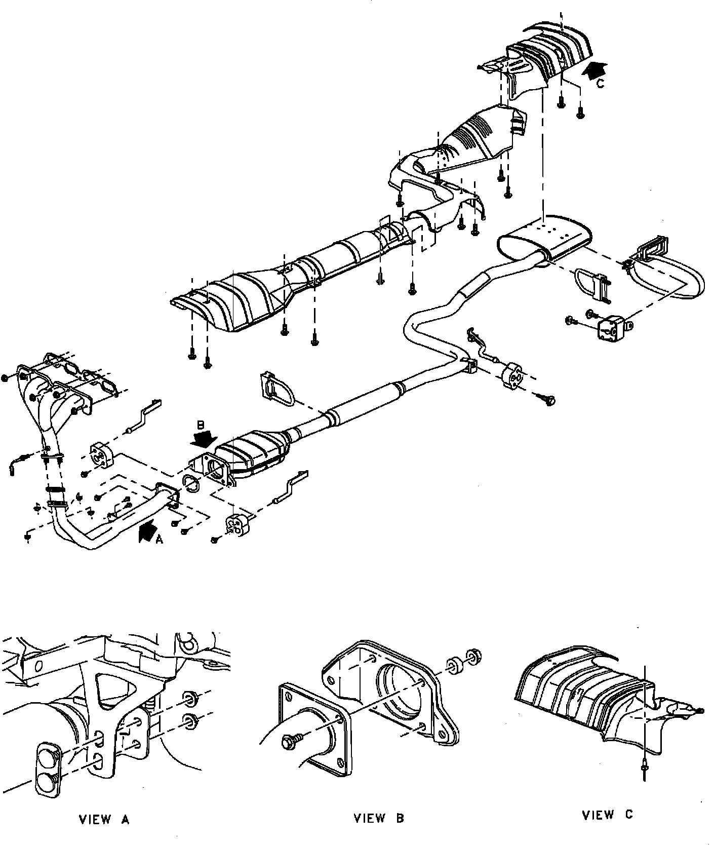
Exhaust System Configuration.:




Exhaust System Configuration.:










REMOVAL

WARNING: MAKE SURE VEHICLE IS PROPERLY SUPPORTED AND SQUARELY POSITIONED PRIOR TO LIFTING. TO HELP AVOID PERSONAL INJURY WHEN A VEHICLE IS ON A HOIST, PROVIDE ADDITIONAL SUPPORT FOR THE VEHICLE ON THE OPPOSITE END FROM WHICH COMPONENTS ARE BEING REMOVED.

NOTE: Always use a chain cutter to cut the stainless steel exhaust system pipes. A torch leaves a rough edge and warps the pipe end, preventing good exhaust system sealing.


1. Raise vehicle squarely on a lift.

Converter Pipe Cutting Location.:






2. Using chain cutter SA9168 NE (or equivalent) cut the converter outlet pipe off 25.4 mm (1 inch) from the weld, leaving 50.8 mm (2 inches) of intermediate pipe end left.

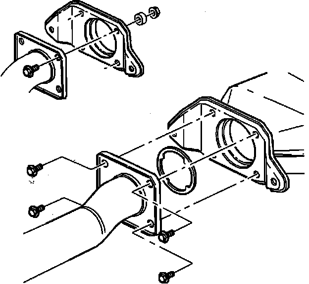
Converter Installation.:






3. Remove the four 10 mm x 1.5 self tapping bolts that fasten the converter to the front exhaust pipe. Save the fasteners and discard the converter.

4. Remove the converter isolator fasteners and discard the gasket and converter.


INSTALLATION (SERVICE REPLACEMENT)

1. Remove burrs from inside intermediate pipe with a file and install the correct service clamp assembly.

NOTE: Converter Clamp part numbers:
^ O.E. converter to service intermediate pipe and service converter to service intermediate pipe SATURN P/N 15595048, or equivalent.
^ Service converter to O.E. pipe SATURN P/N 25525694, or equivalent.

2. Clean the front exhaust pipe-to-catalytic converter flange surface.

3. Install a new gasket (not included with converter) on the front exhaust pipe-to-converter inlet pipe.

4. Position service converter under vehicle with the drain holes directed downward.

5. Slide the converter outlet end into the intermediate pipe inlet.

Converter And Sleeve Replacement.:






NOTE: The sleeve furnished with each converter is required when both a service converter and service pipe are installed. The sleeve should be retained with the vehicle for possible future use.

Sleeve Dimensions:
Inside Diameter: 54.77 mm (2 5/32 inches)
Length: 46 mm (1-13/16 inches)

6. Make sure the converter gasket is properly located. Install the four front exhaust pipe-to-converter fasteners.
^ Torque: 45 Nm (33 ft lbs)

NOTE: A converter fastener kit SATURN P/N 21010753 (or equivalent) is used in place of the self tapping screws when the convertor flange threads are damaged or stripped. The repair kit is designed to provide gasket clamp load and prevent exhaust leaks.

NOTE: A damaged isolator threaded stud hole can be repaired be drilling out the hole and installing the O.E. stud and a nut P/N 21006315. Use a 5/16 in. drill to remove the damaged threads and a 1/2 in. drill to remove only the extrusion at rear side of convertor flange. Do not drill through the flange with the 1/2 in. drill.

7. Install the two converter isolator fasteners.
^ Torque: 45 Nm (33 ft lbs)

8. Check system for alignment.

Converter Connection.:






9. Position the slip joint clamp 19 mm (3/4 in.) from the pipe's cut off end. Tighten the slip joint clamp, positioned to prevent shield contact.
^ Torque: 60 Nm (44 ft lbs)

NOTE: Always use the correct size clamp to prevent exhaust leaks.

10. Check the entire system for leaks.