Curiosii for ever!
: Car repair manuals for everyone.
Home
>>
Saturn
>>
1992
>>
SL L4-1.9L SOHC VIN 9
>>
Repair and Diagnosis
>>
Diagrams
>>
Components
>>
Switches
>>
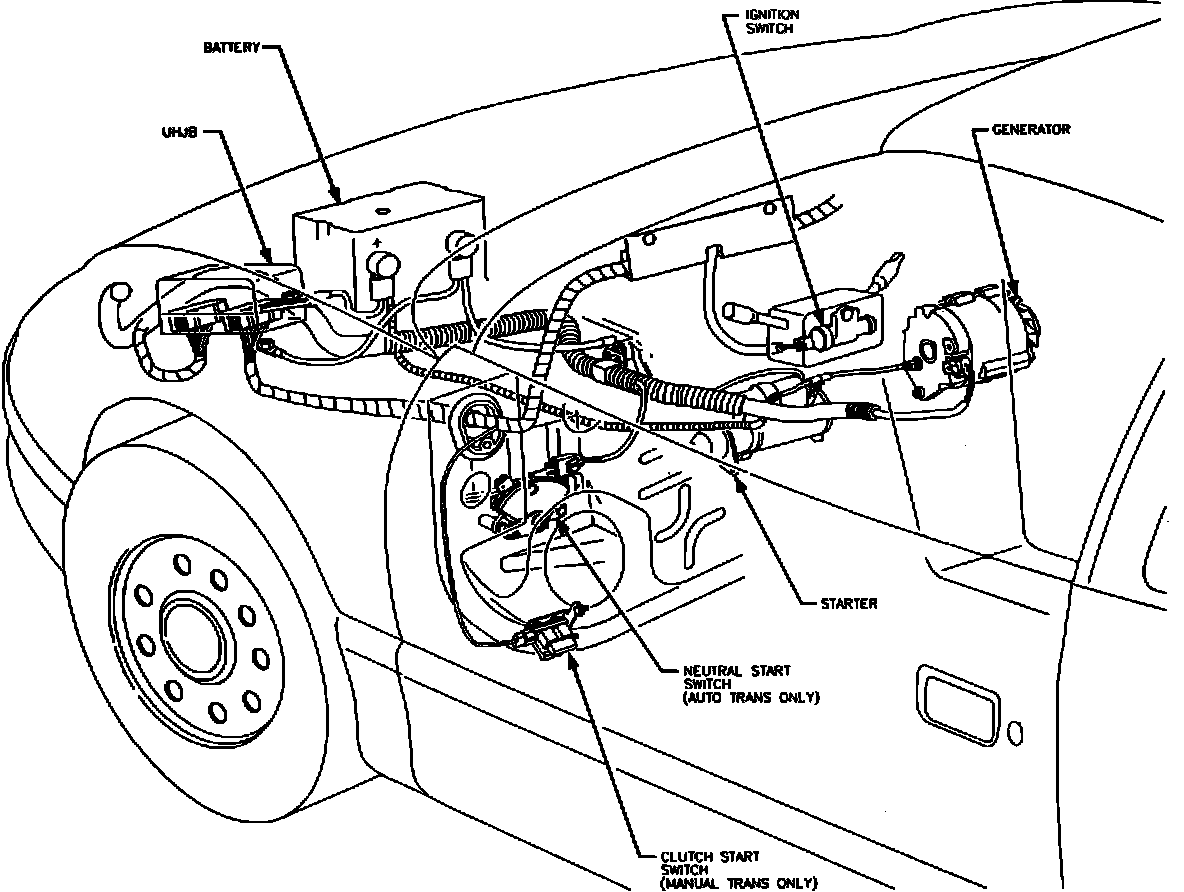
Neutral Start Switch
Neutral Start Switch
Starting & Charging:
Under LH Side Of I/P
Ignition Switch:
On Transmission