Curiosii for ever!: Car repair manuals for everyone.

Compressor Clutch

REMOVAL

IMPORTANT: It is not necessary to remove compressor from its brackets to service the clutch assembly.

1. Loosen belt tensioner and remove accessory drive belt from compressor clutch pulley.





2. Remove the two bolts from the washer/coolant bottles.
3. Disconnect electrical harness from coolant bottle.





4. Release heater return pipe hold down clips. Lift washer bottle and coolant bottle up and out of the way.





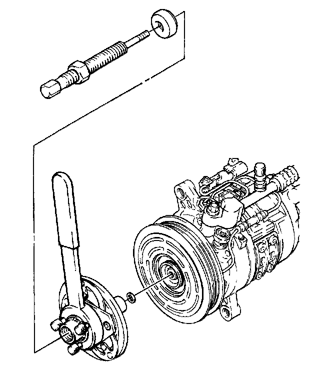
5. Install the clutch remover SA9149AC-4 and remove the drive plate center bolt with a 10 mm deep socket.





6. Install drive plate holder sleeve into drive plate holder. Install drive plate removal bolt. While holding handle, tighten bolt to remove the drive plate.

IMPORTANT: Be careful not to lose the shims when removing drive plate from compressor shaft.





7. Using external snap ring pliers, remove the snap ring.

IMPORTANT: Do not remove pulley without using adapter. If compressor shaft is pressed on, compressor will be damaged.





8. Position the puller center SA9149AC-2 on the end of the compressor hub. Install three jaw puller on compressor pulley. Tighten the center bolt to remove pulley assembly.

IMPORTANT: Be sure to hook the puller jaws behind the pulley.

IMPORTANT: Be sure to note the position of the coil wire before removal.





9. Remove three Coil screws.

Good Advice: To enable easier removal of the screws, lightly tap on the end of the screwdriver with a plastic hammer before removal.

10. Disconnect coil wire connector.

INSTALLATION

IMPORTANT: Install clutch coil in same position as removed.





1. Install the three coil screws.

Torque: 3.9-5.9 N.m (35-52 in-lbs)

2. Connect the coil wire to harness.





3. Install pulley installation bolt, drive plate installer SA9149AC-3 and thrust bearing assembly through the center of the pulley. Thread pulley installation bolt into the end of compressor shaft finger tight.





4. Tighten nut on pulley installation bolt finger tight to align pulley to compressor. While holding end of bolt, tighten nut until pulley bottoms out on compressor.
5. Loosen nut and remove pulley installation bolt.





6. Install the snap ring with the tapered side out using snap ring pliers.





7. Install drive plate holder on new drive plate.
8. Place thrust bearing on installation bolt. Insert installation bolt through drive plate.
9. Install same amount of shims as removed from old drive plate over end of the installation bolt.
10. Thread installation bolt into compressor shaft.
11. Slide the drive plate onto the splines of the compressor shaft.

IMPORTANT: Make sure splines are engaged by rotating drive plate back and forth before tightening nut.

12. While holding the end of the installation bolt, tighten nut to press drive plate onto compressor shaft. Tighten until drive plate bottoms.





13. Loosen installation bolt nut. Remove installation bolt.
14. Install center bolt. Torque bolt to specification.

Torque: 11.8-14.7 N.m (104-130 in-lbs)

NOTICE: After tightening the bolt, check to be sure that the pulley rotates smoothly by spinning it.





15. Check that the clutch clearance is between 0.3 and 0.6 mm (0.01 and 0.02 in). If necessary, adjust the clearance by using shim(s) provided. Repeat steps 5 and 6 of compressor clutch removal. Then repeat steps 7 through 13 of Compressor Clutch Installation.
16. Connect electrical harness to coolant bottle.
17. Install washer and coolant bottles. Tighten the bolts to the washer/coolant bottles and install heater return pipe in hold down clips.
18. Install accessory drive belt.
19. Start engine and engage A/C compressor 10-15 cycles to brake-in new clutch assembly. This will match drive plate and pulley surfaces.