Curiosii for ever!
: Car repair manuals for everyone.
Home
>>
Saturn
>>
1992
>>
SC L4-1.9L DOHC VIN 7
>>
Repair and Diagnosis
>>
Diagrams
>>
Exploded Views
>>
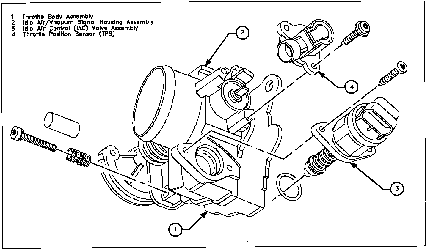
Throttle Body
Throttle Body
Throttle Body Exploded View.: