Compressor Replacement
REMOVAL1. Disconnect negative battery cable.
2. Recover refrigerant using an approved refrigerant recovery system. Measure the amount of oil lost during recovery and record.
IMPORTANT: Add the recorded amount of new SATURN compressor oil before charging the system.
3. On DOHC (LLO) engine, remove air induction ducts.
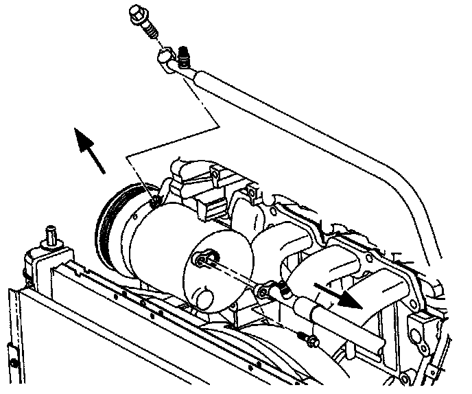
4. Remove accessory drive belt from compressor clutch pulley by rotating belt tensioner clockwise.
5. Disconnect compressor clutch CPA and electrical connector.
CAUTION: DO NOT REMOVE HOSES BEFORE SYSTEM IS FULLY DISCHARGED.
6. Disconnect low and high side hoses at compressor.
7. Install plastic bags on the open end of the low and high side hoses.
8. Remove the rear compressor to bracket bolts.
9. Remove the front compressor to bracket bolts.
10. Remove compressor.
IMPORTANT: Keep compressor level during removal to avoid any oil loss from the low or high side ports.
INSTALLATION
IMPORTANT: Keep compressor level during installation to avoid any oil loss from the low or high side ports.
1. Install compressor to front bracket with three bolts. Finger tighten only.
2. Install compressor to rear bracket with three bolts. Tighten front and rear bolts to specifications.
Front Bolts:
Torque: 49 N.m (36 ft-lbs)
Rear Bolts:
Torque: 25 N.m (19 ft-lbs)
3. Remove plugs or plastic bags from low and high side hoses. Lubricate and install new O-rings.
4. Install hoses to the compressor low and high side ports. Tighten bolts to specifications.
Low Side Hose:
Torque: 25 N.m (19 ft-lbs)
High Side Hose:
Torque: 25 N.m (19 ft-lbs)
5. Connect compressor clutch electrical connector and CPA.
6. Install accessory drive belt.
7. Connect negative battery cable.
8. On DOHC (LLO) engine, install air induction ducts.
9. Evacuate, charge, and leak test A/C system.
10. Run A/C performance test.