Curiosii for ever!
: Car repair manuals for everyone.
Home
>>
Saturn Truck
>>
2009
>>
VUE FWD L4-2.4L Hybrid
>>
Repair and Diagnosis
>>
Transmission and Drivetrain
>>
Automatic Transmission/Transaxle
>>
Service and Repair
>>
Overhaul
>>
2MT70 - Automatic Transaxle
>>
Assemble, Disassemble, and Installation
>>
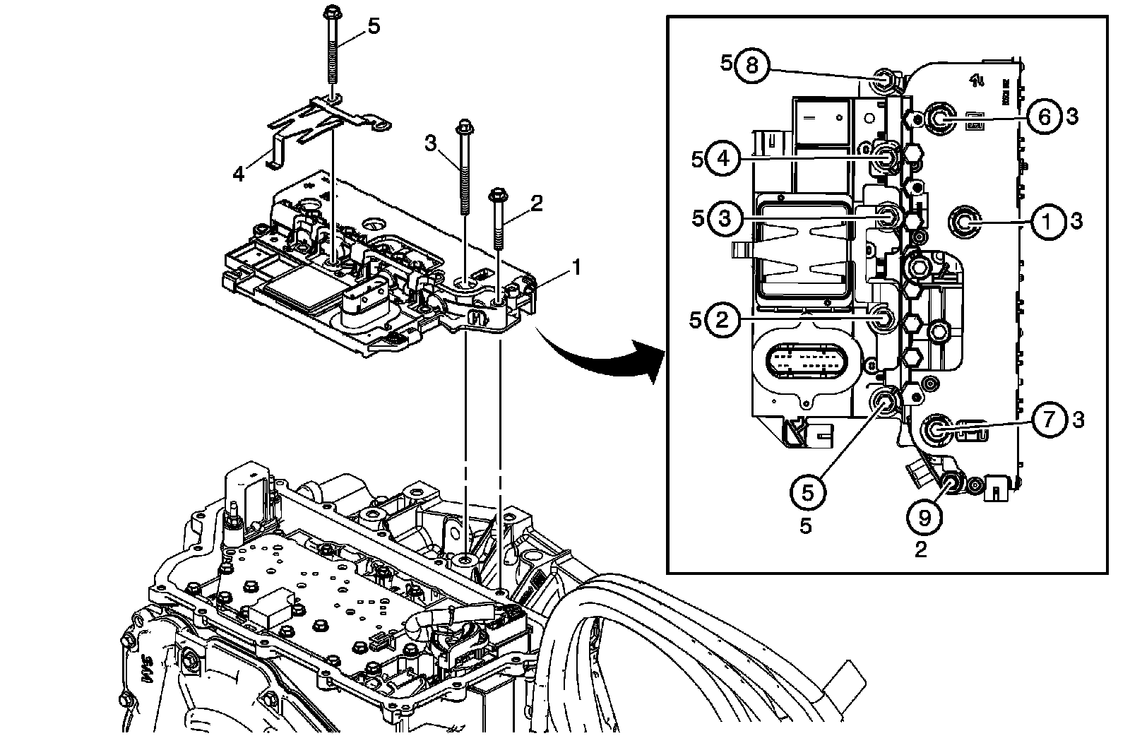
Control Solenoid Valve and Transmission Control Module Assembly Installation
Control Solenoid Valve and Transmission Control Module Assembly Installation
Control Solenoid Valve and Transmission Control Module Assembly Installation