Curiosii for ever!: Car repair manuals for everyone.

Generator Control Module Replacement



Generator Control Module Replacement

Removal Procedure





1. Disconnect the hybrid battery. Refer to Hybrid Battery Service Disconnect/Connect (Service and Repair) .
2. Drain the cooling system. Refer to Cooling System Draining and Filling (Static Fill) (Service and Repair)Cooling System Draining and Filling (GE 47716 Fill) (Service and Repair) .
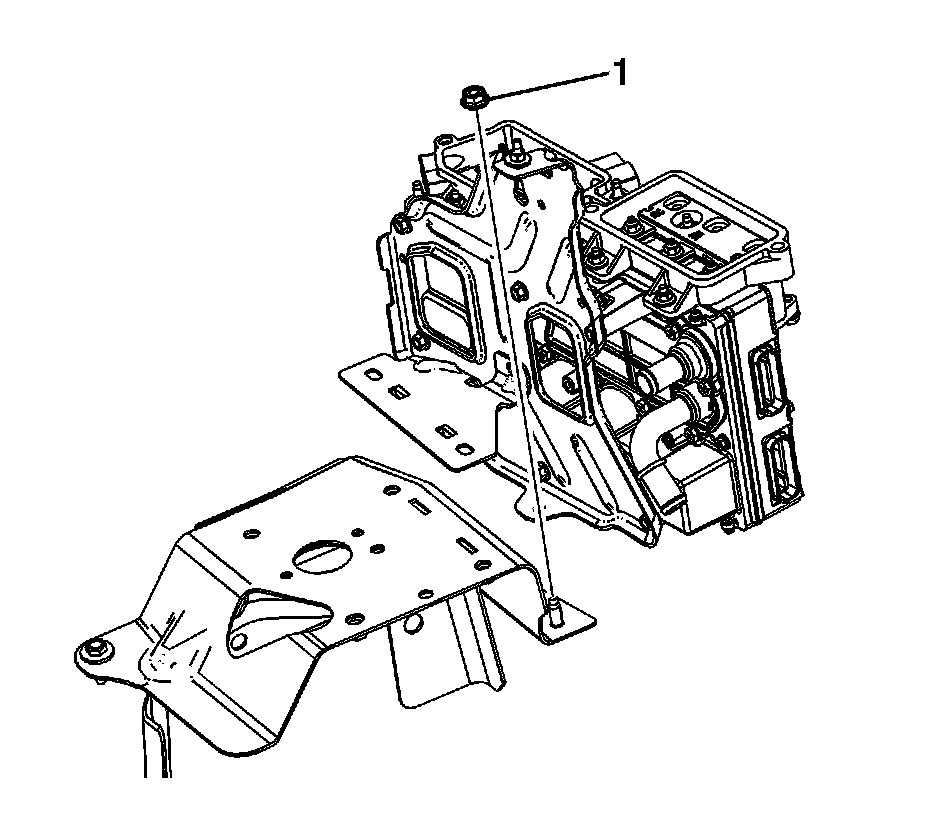
3. Unclip the battery positive cable jumper block (1) from the engine control module (ECM) bracket (4).
4. Disconnect the ECM electrical connectors (2) and the transmission control module (TCM) electrical connector (3).




5. Remove the ECM bracket bolts (1), nuts (2) and ECM bracket (3).




6. Remove the generator control module cover bolts (1) and cover (2).





Caution: To help avoid personal injury, additional precautions must be taken prior to working on the generator control module or the generator starter. After removing the 36V battery cables from the generator battery, remove both engine wiring harness connectors from the generator control module. Wait at least 5 minutes and then remove the generator control module cover. Verify voltage levels at all 36V, 12V, and 3-phase connections, are less than 3 volts using a DMM before proceeding.

7. Check the generator control module for voltage potential, in order to ensure that the module has been disabled.

1. Measure from the 36-volt positive terminal (3) to a known good chassis ground. The voltage should be less than 3 volts.
2. Measure from the 12-volt positive terminal (4) to a known good chassis ground. The voltage should be less than 3 volts.
3. Measure from the ground terminal (2) to a known good chassis ground, checking for continuity.


Caution: To help avoid personal injury, always treat the 3-phase cable and connectors as if voltage is present and as if the surface of all parts of the cable is hot.

8. Verify that the generator control module 3-phase cables are disabled.

1. Measure from each phase 1, 2 and 3 connection (1) to a known good chassis ground. The voltage should be less than 3 volts.
2. After verifying that there is no voltage present, the generator control module 3-phase cables can now be removed from the generator control module.
3. If 3 volts or more is present, repeat the disconnect procedure. Refer to Hybrid Battery Service Disconnect/Connect (Service and Repair) .





9. Remove the battery positive terminal block nuts (1) and reposition the battery positive terminal block (2).
10. Remove the 3-phase cable terminal block nuts (3) and reposition the 3-phase cable terminal block (4).




11. Disconnect the generator control module electrical connectors (1).
12. Disconnect the 2 coolant hoses from the generator control module.




13. Remove the following components:

* Fusible link nut (1)
* Fusible link bolt (2)
* 36-volt battery cable nut (3)
* 36-volt battery cable nut (4)
* Ground strap nut (5)





14. Remove the generator control module bracket nut (1).
15. Remove the generator control module and bracket as an assembly.




16. Remove the generator control bracket bolts (1) and the generator control module bracket (2).
17. If replacing the generator control module, remove the transaxle auxiliary pump control module. Refer to Auxiliary Fluid Pump Control Module Replacement (Auxiliary Fluid Pump Control Module Replacement) .



Installation Procedure






Notice: Refer to Fastener Notice (Fastener Notice) .

1. Install the generator control bracket bolts (1) and the generator control module bracket (2).

Tighten the bolt to 10 N.m (89 lb in).





2. Install the generator control module bracket nut (1).

Tighten the bolts to 25 N.m (19 lb ft).





3. Install the following components:

* Fusible link nut (1)
* Fusible link bolt (2)
* 36-volt battery cable nut (3)
* 36-volt battery cable nut (4)
* Ground strap nut (5)

Tighten the nuts and bolts to 10 N.m (89 lb in).






4. Connect the 2 coolant hoses to the generator control module.
5. Connect the generator control module electrical connectors (1).




6. Install the 3-phase cable terminal block (4) and nuts (3).
7. Install the battery positive terminal block (2) and nuts (1).

Tighten the nuts to 10 N.m (89 lb in).





8. Install the generator control module cover bolts (1) and cover (2).

Tighten the bolt to 10 N.m (89 lb in).





9. Install the ECM bracket (3), bolts (1) and nuts (2).

Tighten the bolt to 10 N.m (89 lb in).





10. Connect the ECM electrical connectors (2) and the TCM electrical connectors (3).
11. Clip in the battery positive cable jumper block (1) to the ECM bracket (4).
12. Recharge the air conditioning (A/C) system. Refer to Refrigerant Recovery and Recharging (Refrigerant Recovery and Recharging) .
13. Fill the cooling system. Refer to Cooling System Draining and Filling (Static Fill) (Service and Repair)Cooling System Draining and Filling (GE 47716 Fill) (Service and Repair) .
14. Connect the hybrid battery. Refer to Hybrid Battery Service Disconnect/Connect (Service and Repair) .
15. If the generator control module was replaced, program the new module. Refer to Control Module References (Programming and Relearning) .
16. Using a Tech 2, command an autostart in order to verify that the system is working properly.