Curiosii for ever!: Car repair manuals for everyone.

Alternator: Service and Repair



Generator Replacement (LZ4-3.5L)

Removal Procedure

1. Disconnect the battery negative cable. Refer to Battery Negative Cable Disconnection and Connection (Without LAT-2.4L) (Service and Repair) .
2. Remove the drive belt. Refer to Drive Belt Replacement (Service and Repair) .




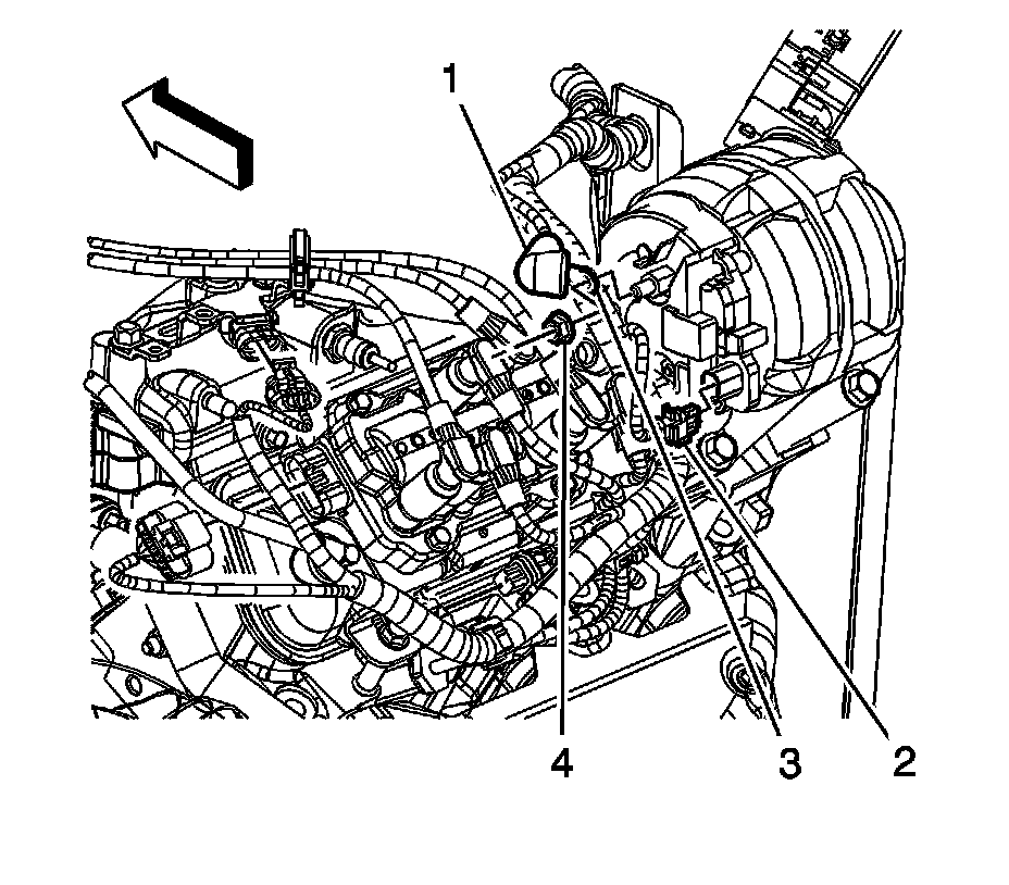
3. Reposition the generator terminal protective boot (1).
4. Remove the generator terminal nut (4).
5. Remove the engine harness terminal (3) from the generator.
6. Disconnect the generator electrical connector (2).




7. Remove the generator pivot bolt (1).
8. Remove the generator bolt (2).
9. Remove the generator stud (3).
10. Remove the generator (4) from the vehicle.



Installation Procedure






Notice: Refer to Fastener Notice (Fastener Notice) .

1. Install the generator (4) to the vehicle.

Important: Hand start all bolts before finalizing any torques.


2. Install the generator stud (3).

Tighten the stud to 50 N.m (37 lb ft).

3. Install the generator bolt (2).

Tighten the bolt to 50 N.m (37 lb ft).

4. Install the generator pivot bolt (1).

Tighten the bolt to 50 N.m (37 lb ft).





5. Connect the generator electrical connector (2).
6. Install the engine harness terminal (3) to the generator.
7. Install the generator terminal nut (4).

Tighten the nut to 15 N.m (11 lb ft).

8. Position the generator terminal protective boot (1).
9. Install the drive belt. Refer to Drive Belt Replacement (Service and Repair) .
10. Connect the battery negative cable. Refer to Battery Negative Cable Disconnection and Connection (Without LAT-2.4L) (Service and Repair) .