Curiosii for ever!: Car repair manuals for everyone.

Coolant Temperature Sensor/Switch (For Computer): Locations



Powertrain Component Views

Top View of the Engine




1 - Fuel Injector 6
2 - Fuel Injector 5
3 - Fuel Injector 4
4 - Camshaft Position (CMP) Sensor
5 - Fuel Injector 1
6 - Fuel Injector 2
7 - Fuel Injector 3

Top of the Engine




1 - Generator
2 - Ignition Control Module (ICM)
3 - Manifold Absolute Pressure (MAP) Sensor
4 - Throttle Actuator Control (TAC) Module
5 - Evaporative Emissions (EVAP) Canister Purge Solenoid

Front of the Engine




1 - Heated Oxygen Sensor (HO2S) Bank 2 Sensor 1
2 - Engine Coolant Temperature Sensor
3 - Transmission Control Module (TCM)
4 - Fusible Link
5 - Starter
6 - Knock Sensor (KS) Bank 2
7 - Engine Oil Pressure (EOP) Switch
8 - Heated Oxygen Sensor (HO2S) Bank 2 Sensor 2
9 - A/C Compressor Clutch
10 - A/C Refrigerant Pressure Sensor

Rear of the Engine




1 - Knock Sensor (KS) Bank 1
2 - Heated Oxygen Sensor (HO2S) Bank 1 Sensor 1
3 - Camshaft Position (CMP) Actuator Solenoid
4 - Engine Block Heater Connector (K05)
5 - Crankshaft Position (CKP) Sensor
6 - Heated Oxygen Sensor (HO2S) Bank 1 Sensor 2


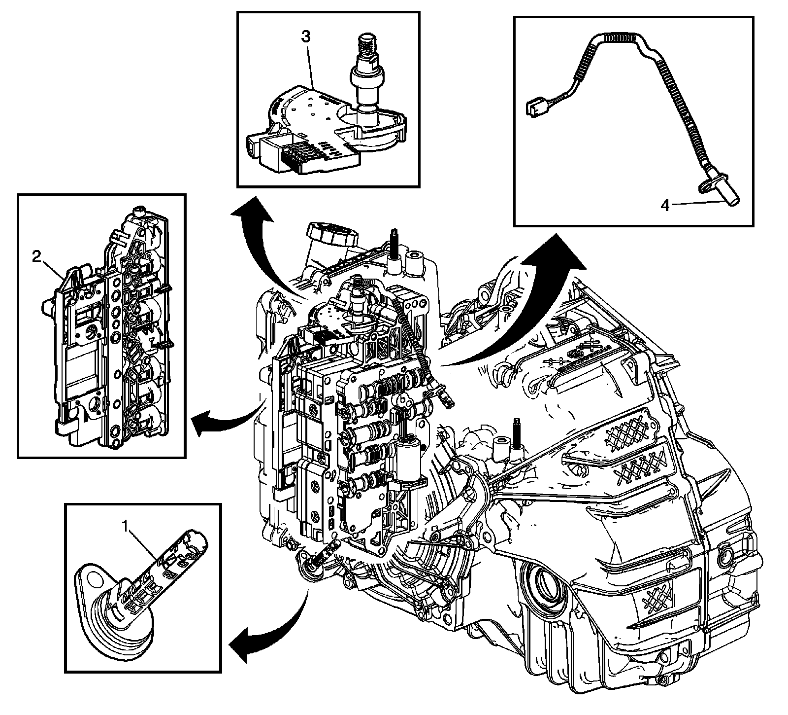
Transmission Components (MH2/MH4)




1 - Automatic Transmission Input Shaft Speed (AT ISS) Sensor (MH2/MH4)
2 - Internal Mode Switch (ISS) . Part of Valve Body Assembly
3 - Manual Shift Detent (w/Shaft Position Switch) Lever Assembly
4 - Automatic Transmission Output Shaft Speed (AT OSS) Sensor