Curiosii for ever!
: Car repair manuals for everyone.
Home
>>
Saturn Truck
>>
2008
>>
VUE AWD V6-3.5L
>>
Repair and Diagnosis
>>
Heating and Air Conditioning
>>
Cabin Temperature Sensor / Switch
>>
Service and Repair
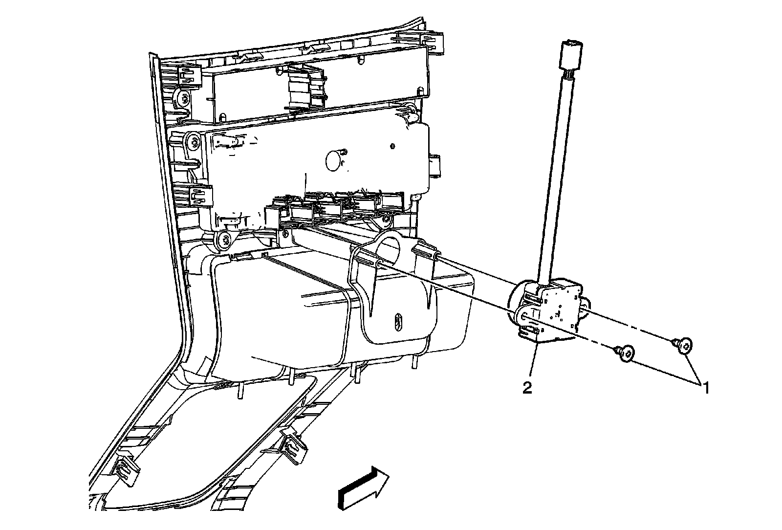
Cabin Temperature Sensor / Switch: Service and Repair
Inside Air Temperature Sensor Replacement