Curiosii for ever!: Car repair manuals for everyone.

Power and Grounding Component Views



Power and Grounding Component Views

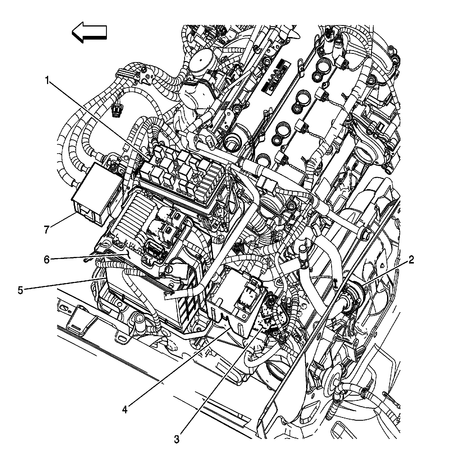
Left Side of Engine Compartment (LAT)




1 - Fuse Block - Underhood
2 - Heater Core Pump
3 - Park Neutral Position (PNP) Switch
4 - Transmission Control Module (TCM)
5 - Battery - 12V
6 - Electronic Control Module (ECM)
7 - Fuse Block - Underhood - Auxiliary

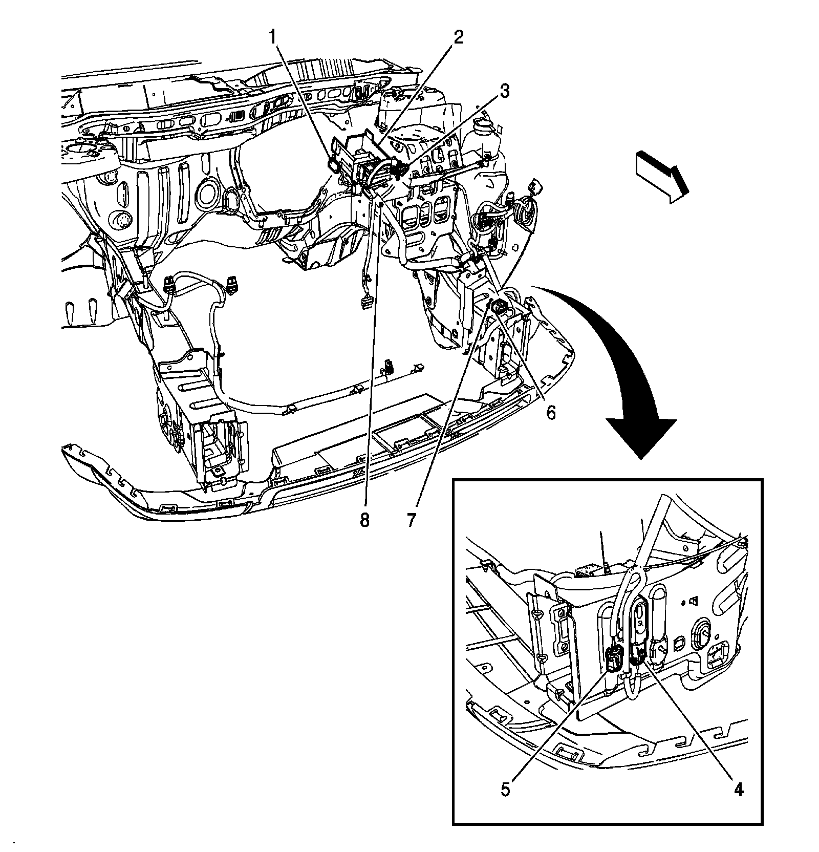
Forward Lamp Harness Routing (LAT)




1 - C106
2 - Fuse Block - Underhood
3 - C122
4 - Daytime Running Lamp (DRL) Resistor
5 - Cooling Fan Resistor
6 - Splice Pack SP101
7 - G101
8 - S111
9 - Hood Ajar Switch Connector

Left Side of Engine Compartment




1 - Fuse Block - Underhood
2 - Battery Positive Cables (12V)
3 - Positive Battery Voltage
4 - Battery - 12V
5 - Negative Battery Cables
6 - G103
7 - Fuse Block - Underhood - Auxiliary
8 - G105
9 - Positive Battery Voltage
10 - Engine Block

Front of Engine Compartment (L61)




1 - Fuse Block - Underhood C2
2 - C102 Engine Harness to Body Harness
3 - Park Neutral Position (PNP) Switch
4 - C100 Engine Harness to Transmission Harness
5 - G105
6 - C150 Engine to Fuel Injector Harness
7 - G107

Lower Center of the I/P




1 - G203
2 - Fuse Block - I/P