Curiosii for ever!: Car repair manuals for everyone.

Manifold Pressure/Vacuum Sensor: Service and Repair



Manifold Absolute Pressure Sensor Replacement

Removal Procedure




1. Remove the intake manifold cover.
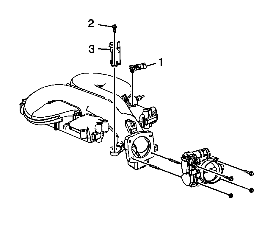
2. Disconnect the engine harness electrical connector (1) from the manifold absolute pressure (MAP) sensor.
3. Remove the MAP sensor bracket bolts and bracket.




4. Remove the MAP sensor (1).
5. Inspect the MAP sensor seal for damage, replace if necessary.

Installation Procedure




1. Install the MAP sensor seal, if necessary.
2. Install the MAP sensor (1).






Notice: Refer to Fastener Notice.

3. Install the MAP sensor bracket and bolts.

Tighten the bolts to 25 N.m (18 lb ft).

4. Connect the engine harness electrical connector (1) to the MAP sensor.
5. Install the intake manifold cover.