Curiosii for ever!: Car repair manuals for everyone.

Frame Replacement (L66)



Frame Replacement (L66)


Tools Required
* J 43828 Ball Joint Remover
* SA9140E Torque Angle Gage



Removal Procedure





1. Tie the radiator, air conditioning condenser, and fan module assembly to the upper radiator support to keep the assembly with the vehicle when the frame is lowered.
2. Install the engine support fixture. Refer to Engine Support Fixture in Engine Mechanical - 3.5L.
3. Raise and support the vehicle. Refer to Lifting and Jacking the Vehicle in General Information.
4. Remove the front wheels. Refer to Tire and Wheel Removal and Installation in Tires and wheels.
5. Remove the side splash shield-to-frame fasteners.
6. Remove the front air dam-to-frame fasteners.




7. Remove the rear transmission mount-to-frame bolts.




8. Remove the front transmission mount-to-frame bolts.




9. Remove the steering gear-to-frame bolts.
10. Using mechanics wire, secure the steering gear to the exhaust.




11. Remove the stabilizer shaft clamp-to-frame bolts.




12. Remove the lower ball joint cotter pins. Discard the cotter pins.




13. Loosen the lower ball joint castle nut until the nut is level with the top of the ball stud.

Notice: Do not free the ball stud by using a pickle fork or a wedge-type tool. Damage to the seal or bushing may result.

14. Using the J 43828 , separate the lower control arm from the steering knuckle.




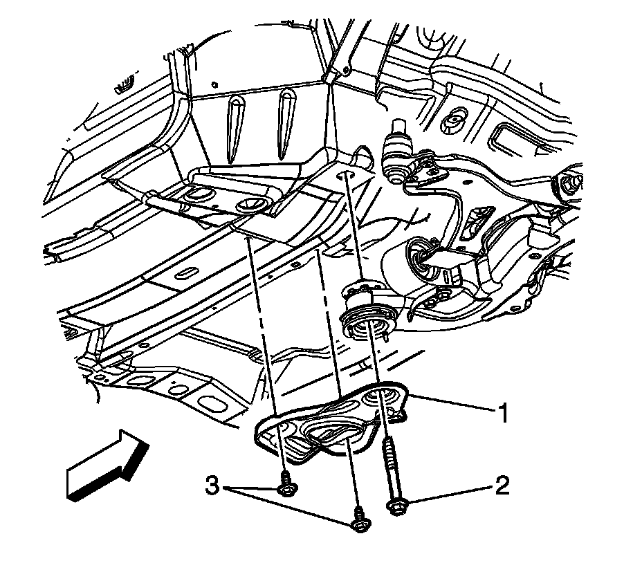
15. Remove the reinforcement bolts (3).
16. Remove the rear frame to body bolts (2). DISCARD the bolts.
17. Remove the reinforcement (1) from the vehicle.




18. Remove the front frame-to-body bolts. DISCARD the bolts.
19. Carefully lower the frame from the vehicle.
20. Remove the lower control arms. Refer to Lower Control Arm Replacement in Front Suspension.



Installation Procedure

1. Install the lower control arms. Refer to Lower Control Arm Replacement in Front Suspension.
2. Raise the frame to the body.





Important: Do not tighten the fasteners at this time.


3. Loosely install NEW front frame-to-body bolts.




4. Position the reinforcement (1) to the vehicle.
5. Loosely install NEW rear frame to body bolts (2).
6. Loosely install the reinforcement bolts (3).




7. Connect the ball joint stud to the steering knuckle.

Notice: Refer to Fastener Notice in Cautions and Notices.

8. Using the SA9140E , install the ball stud castle nut.

Tighten the nut to 10 N.m (89 lb in) plus 180 degrees.


Important:
* Do not loosen the castle nut in order to align the cotter pin slots.

* Ensure the cutter pin ends do not contact the wheel speed sensor harness.



9. Continue to tighten the castle nut to align the slots with the opening in the ball stud and install the ball stud cotter pin.




10. Remove the mechanics wire and install the steering gear to the frame.

Tighten the bolts to 110 N.m (81 lb ft).





11. Install the transmission mount-to-frame bolts.

Tighten the bolt to 50 N.m (37 lb ft).





12. Install the rear transmission mount-to-frame bolts.

Tighten the bolts to 50 N.m (37 lb ft).

13. Install the stabilizer shaft clamp.

Tighten the bolts to 50 N.m (37 lb ft).





14. Tighten the frame-to-body reinforcement bolts (3).

Tighten the bolts (3) to 50 N.m (37 lb ft).





15. Tighten the frame-to-body bolts.

Tighten the bolts to 155 N.m (114 lb ft).

16. Install the front air dam fasteners.
17. Install the side splash shield-to-frame fasteners.
18. Install the front wheels. Refer to Tire and Wheel Removal and Installation in Tires and Wheels.
19. Lower the vehicle.
20. Remove the engine support fixture.
21. Untie the radiator, air conditioning condenser, and fan module assembly from the upper radiator support.
22. Align the front suspension. Refer to Front Toe Adjustment in Wheel Alignment.