Curiosii for ever!
: Car repair manuals for everyone.
Home
>>
Saturn Truck
>>
2005
>>
RELAY AWD V6-3.5L VIN 8
>>
Repair and Diagnosis
>>
Heating and Air Conditioning
>>
Control Module HVAC
>>
Locations
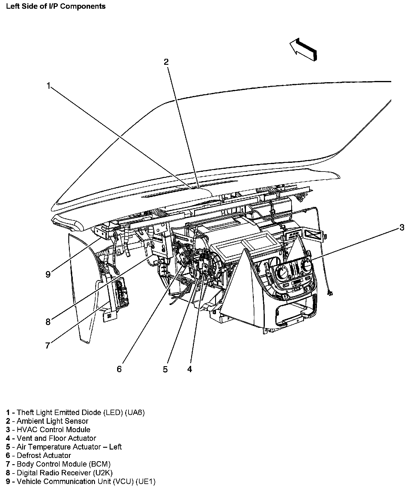
Control Module HVAC: Locations
Left Side Of I/P Components:
Left Rear Cargo - Body Harness: