Curiosii for ever!: Car repair manuals for everyone.

Electronic Brake Control Module: Service and Repair

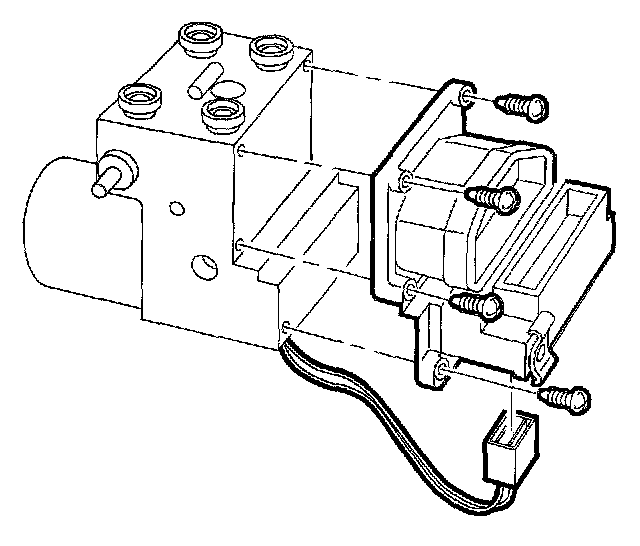
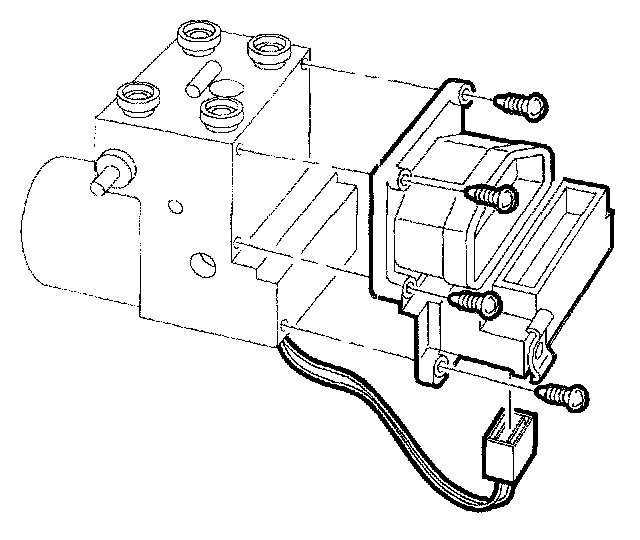
Electronic Brake Control Module (EBCM) Replacement

Removal Procedure

Notice: Always connect or disconnect the wiring harness connector from the EBCM/EBTCM with the ignition switch in the OFF position. Failure to observe this precaution could result in damage to the EBCM/EBTCM.





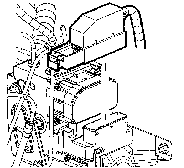
1. Remove the transmission control module (TCM), if equipped, from the mounting bracket and position aside.





2. Turn the ignition switch to the OFF position.
3. Clean the electronic brake control module (EBCM) to brake pressure modulator valve (BPMV) area of any accumulated dirt and foreign material.
4. Disconnect the electrical connector from the EBCM.





5. Disconnect the pump motor electrical connector.
6. Remove the EBCM attaching screws.
7. Separate the EBCM from the BPMV by carefully pulling apart.

Installation Procedure





1. Clean the sealing surface of the BPMV, with denatured alcohol and a clean shop cloth.
2. Install the EBCM to the BPMV.

Notice: Refer to Fastener Notice in Service Precautions.

3. Install the EBCM-to-BPMV attaching screws. Tighten the bolts in a cross pattern.
^ Tighten the bolts to 3 Nm (27 inch lbs.).
4. Connect the pump motor electrical connector.





5. Connect the electrical connector to the EBCM.





6. Reposition the TCM, if equipped, to the mounting bracket.
7. Turn the ignition switch to the ON position. DO NOT start engine.
8. Perform the Diagnostic System Check - ABS.