Curiosii for ever!: Car repair manuals for everyone.

Ignition System: Testing and Inspection

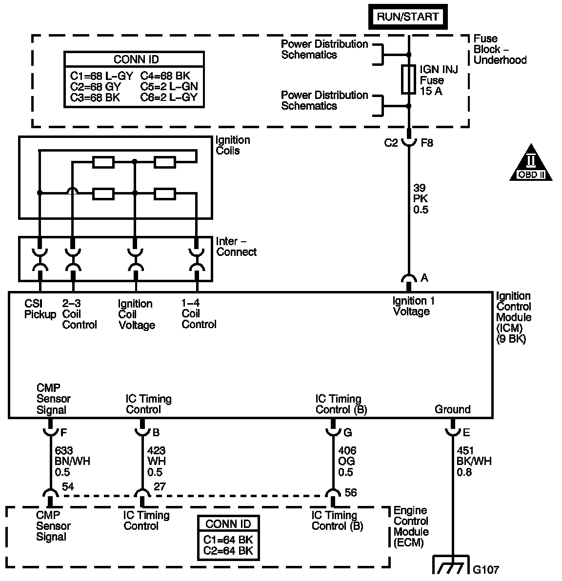
ELECTRONIC IGNITION (EI) SYSTEM DIAGNOSIS

CIRCUIT DESCRIPTION




Each ignition coil supplies secondary voltage to a pair of spark plugs. This is called a waste spark ignition system. The engine control module (ECM) supplies a signal on each of the ignition control (IC) timing control circuits to the ignition control module (ICM). The ICM fires the correct ignition coil at the correct time based on the signals. The ICM detects if cylinder 1 or cylinder 3 is on the compression stroke by sensing the secondary voltage and polarity of each side of the ignition coil. The ICM detects this voltage with sensing circuitry integrated into each ignition coil. The higher voltage is on the compressing cylinder. This is called compression sense ignition. The ICM provides a synthesized cam signal to the ECM based on these inputs. The ECM uses the cam signal to synchronize fuel injection.

This system consists of the following circuits:
- Ignition voltage
- Ground
- Camshaft position (CMP) sensor signal
- IC timing control for cylinders #1 and #4
- IC timing control B circuit for cylinders #2 and #3

TEST

Steps 1 - 11:




Steps 12 - 18:




Steps 19 - 27: