Curiosii for ever!: Car repair manuals for everyone.

Crankshaft Position Sensor: Service and Repair





Crankshaft Position Sensor Replacement

Removal Procedure

1. Record the preset radio stations.
2. Turn the ignition to OFF.






3. Disconnect the negative battery cable.
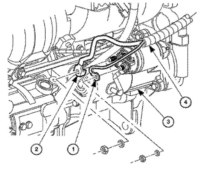
- Engine Harness Connection (1)
- Battery Feed (2)
- Starter Motor (3)
- Starter Solenoid (4)
4. Raise the vehicle.
5. Remove the 2 starter solenoid harness connector attachment nuts.
6. Remove the lower starter assembly to the engine block bolt.
7. Remove the upper starter assembly to the engine block bolt.
8. Move the starter right to clear the engine block, then left to remove the starter from the flywheel housing.
9. Disconnect the CKP Sensor harness connector.
10. Remove the CKP sensor attachment bolt and remove the CKP sensor.

Installation Procedure






1. Lubricate the CKP sensor O-ring with clean engine oil.

Notice: Use the correct fastener in the correct location. Replacement fasteners must be the correct part number for that application. Fasteners requiring replacement or fasteners requiring the use of thread locking compound or sealant are identified in the service procedure. Do not use paints, lubricants, or corrosion inhibitors on fasteners or fastener joint surfaces unless specified. These coatings affect fastener torque and joint clamping force and may damage the fastener. Use the correct tightening sequence and specifications when installing fasteners in order to avoid damage to parts and systems.

2. Install the CKP sensor in the engine block and attachment bolt.

Tighten
Tighten the crankshaft position sensor bolt to 10 Nm (89 lb in).

3. Connect the CKP sensor harness connector. Push in the connector until a slick is heard, then pull back to confirm a positive engagement.
4. Install the starter into the flywheel housing and align the bolt holes.






5. Install the upper and lower starter assembly to the engine block bolts.

Tighten
Tighten the starter-to-engine bolts to 40 Nm (30 lb ft).

6. Install the 2 starter solenoid harness connections and attachment nuts.

Tighten
- Tighten the B+ cable to starter nut (large) to 10 Nm (89 lb in).
- Tighten the starter solenoid harness nuts (small) to 3 Nm (27 lb in).

7. Lower the vehicle.
8. Connect the negative battery cable.

Tighten
Tighten the battery terminal bolts to 17 Nm (13 lb ft).