Curiosii for ever!: Car repair manuals for everyone.

I/P Fuse Block

REMOVAL

IMPORTANT: Record all pre-set radio stations.




1. Ignition OFF
2. Remove battery cooling box screws and remove battery cover.
3. Disconnect negative battery cable.
4. Disconnect positive battery cable.
5. Remove console.




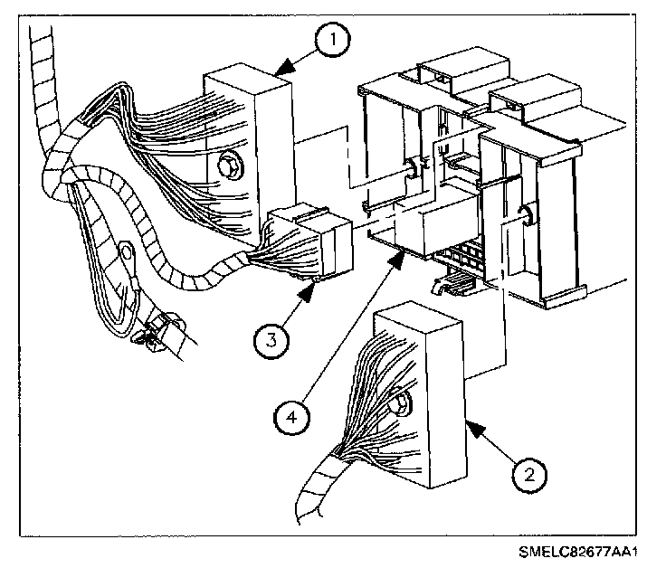
6. Remove nut holding the IPFB connector in place.
(1) Body 68-way
(2) I/P 68-way
(3) I/P 24-way
(4) Back of I/P fuse block
7. Remove bolt holding fuse block into place.




8. Remove ground wire.
(1) Ground wire
9. Remove fuse block.

INSTALLATION
1. Install fuse block.
2. Attach ground wire.




3. Attach bolt.
(1) Ground wire




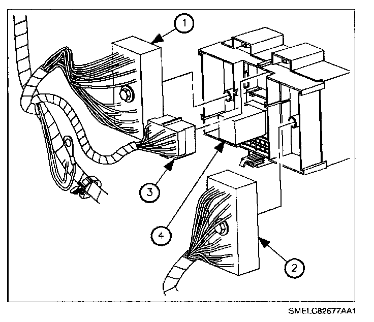
4. Connect connectors and tighten.

Torque:
IPFB Connectors: 4 N.m (35 in-lbs)

(1) Body 68-way
(2) I/P 68-way
(3) I/P 24-way
(4) Back of I/P fuse block




5. Install console.
6. Connect positive battery cable to battery.

Torque:
Battery Terminal Bolts: 17 N.m (13 ft-lbs)

7. Connect negative battery cable to battery.

Torque:
Battery Terminal Bolts: 17 N.m (13 ft-lbs)

8. Install battery cooling box cover and tighten screws.

Torque:
Battery Cooling Box Cover Screws: 2 N.m (18 in-lbs)

9. Reprogram radio stations.