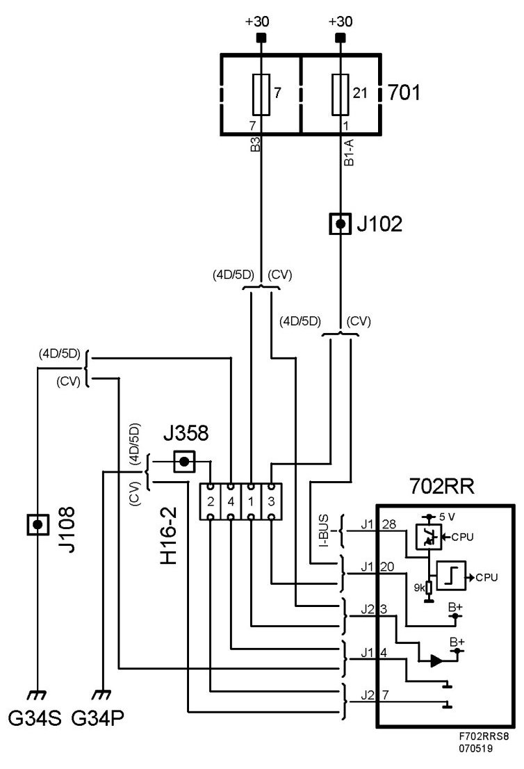
Control Module, Door, Rear, Right-Hand (702RR)
Control Module, Door, Rear, Right-Hand (702RR)
Location
Control module, door, rear, right-hand (702RR)
Main purpose
The primary function of the RRDM is to:
- Read the status of the door lift buttons
- Control and supply the window lift in the RH rear door (with optional pinch protection function).
- Supply the central locking system motor (with or without TSL) in the door.
- The control module also reads the door switch status via a direct connection but does not use the value. The connection is intended for future development.
- Supply the illumination of the door buttons.
The RRDM also has logic for the front door mirror heating. The activation command is transmitted on the bus.
Type
The RRDM has an external button for the window lift in the door. The button has the following positions:
- Express up (only with the pinch protection option)
- Up
- Unaffected
- Down
- Express down
Internally there is a microprocessor with clock, RAM and a flash EPROM. An internal bus which connects the processor and memory with the I/O unit. The I/O unit is responsible for reading in the values of A/D converted analogue inputs, digital inputs, bus signals and for activating transistors in the output amplifier.
For further information about the control module see control module, general description.
Power supply, ground and bus communication