Curiosii for ever!: Car repair manuals for everyone.

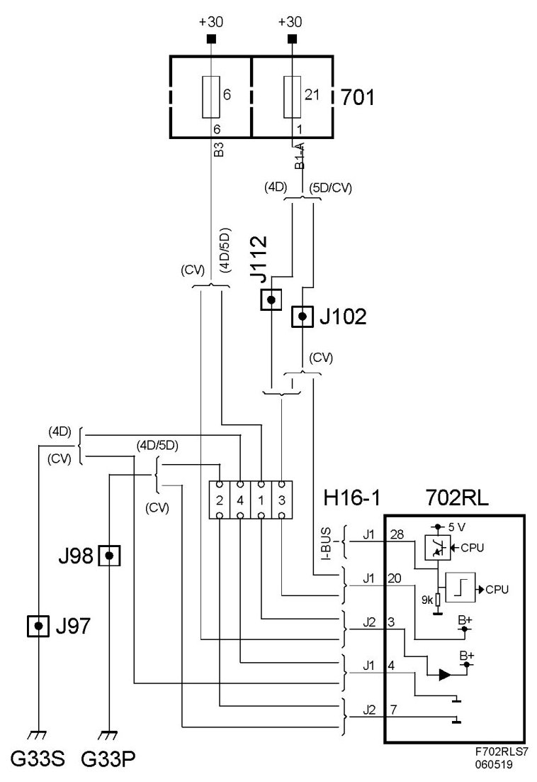
Control Module, Door, Rear, Left-Hand (702RL)



Control Module, Door, Rear, Left-Hand (702RL)

Location

Control module, door, rear, left-hand (702RL)






Main purpose

The primary function of the RLDM is to:

- Read the window lift button status
- Control and supply the window lift in the passenger door (with optional pinch protection function).
- Supply the central locking system motor (with or without TSL) in the door.
- The control module also reads the door switch status with an individual lead but does not use the value. The connection is intended for future development.
- Supply the illumination of the door buttons.

The RLDM also has comfort function logic which under certain conditions allows activation of seats, mirrors and window lifts when the ignition is off.

Type

The RLDM has an external button for the window lift in the door. The button has the following positions:

- Express up (only with the pinch protection option)
- Up
- Unaffected
- Down
- Express down

Internally there is a microprocessor with clock, RAM and a flash EPROM. An internal bus which connects the processor and memory with the I/O unit. The I/O unit is responsible for reading in the values of A/D converted analogue inputs, digital inputs, bus signals and for activating transistors in the output amplifier.

For further information about the control module see Control module, general description

Power supply, ground and bus communication