Curiosii for ever!: Car repair manuals for everyone.

Control Module, PPS (591)



Control Module, PPS (591)

Location

Control module, PPS (591)






Main task

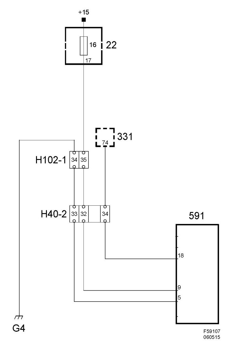
The control module governs the indicator lamps, passenger airbag/side airbag ON/OFF, and monitors all the component parts in the system. The values are filtered through a calculation algorithm in the control module that takes into account pressure, tension and temperature and the weight can be calculated.

Type

The control module contains a microprocessor, ROM and EEPROM. The control module sends information via a serial communication cable to ACM (331).

Connect

Power supply, ground and bus communication






Wiring diagram, power supply