Curiosii for ever!: Car repair manuals for everyone.

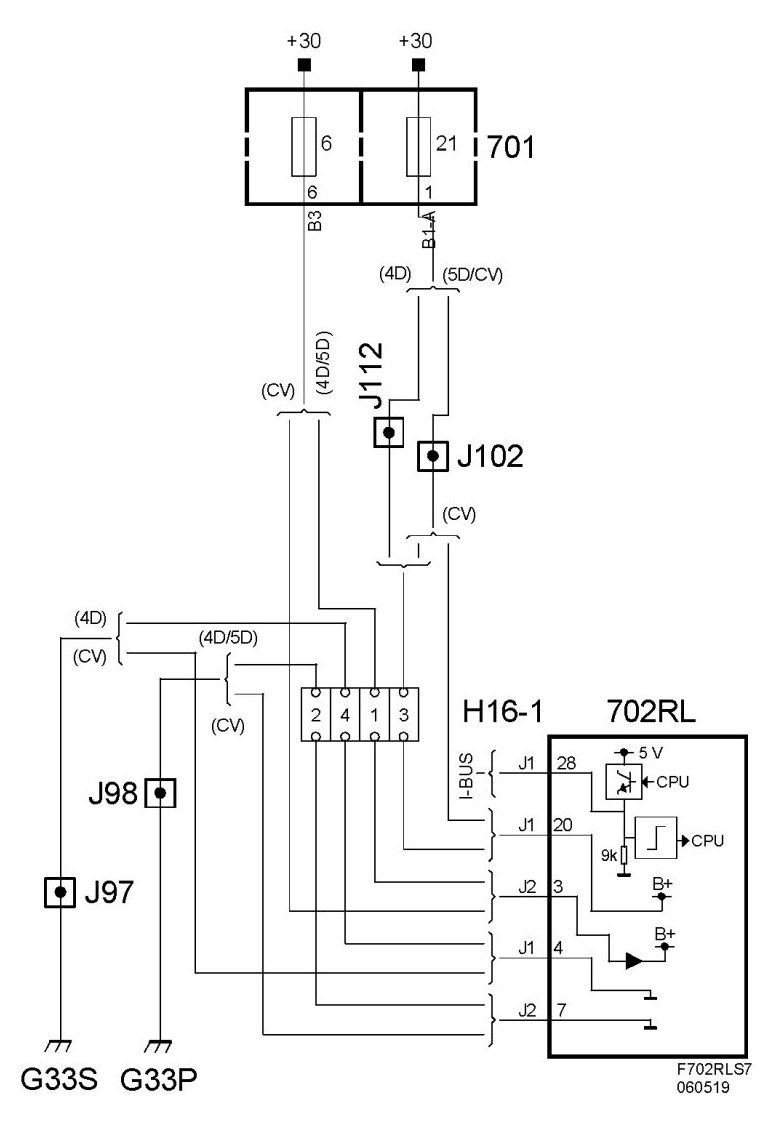
Control Module, Rear Left Window Lift, CV (702RL)



Control Module, Rear Left Window Lift, CV (702RL)

Location

Control module, rear left window lift, CV (702RL)






Main task

The primary function of the RLDM is to control and supply the rear left-hand window lift (with optional pinch protection function).

The RLDM also has comfort function logic which under certain circumstances allows activation of seats, mirrors and window lifts when the ignition is off.

Type

Internally there is a microprocessor with clock, RAM and a flash EPROM. An internal bus which connects the processor and memory with the I/O unit. The I/O unit is responsible for reading in the values of A/D converted analogue inputs, digital inputs, bus signals and for activating transistors in the output amplifier.

For further information about the control module see Control module, general description

Power supply, ground and bus communication