Curiosii for ever!: Car repair manuals for everyone.

Convertible Top Control Module: Description and Operation



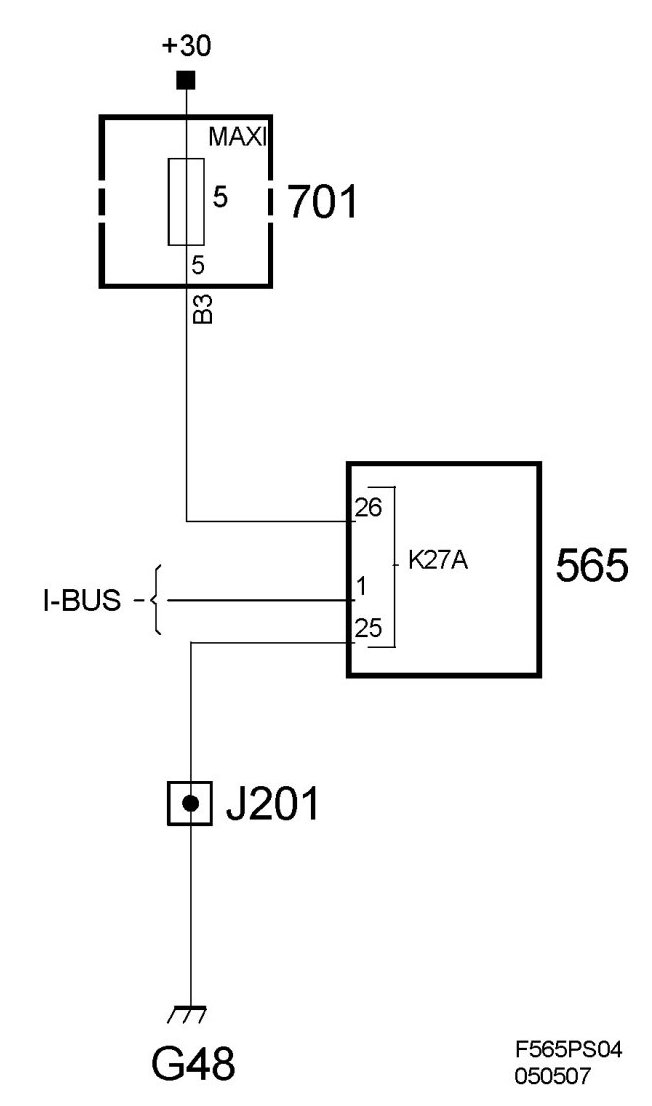
Control Module, STC (565)

Location

Control module, STC (565)

Main task






The driver requests the opening or closing of the soft top with the switch or the remote control. The STC control module operates the soft top hydraulically using information from a number of position sensors integrated in the mechanism's cylinders.

Type

The control module has a microprocessor. Refer to Control module, General description (link). The module is SPS programmable.






A. Connector K27A, vehicle
B. Connector K27B, soft top

Connect









Diagram