Curiosii for ever!
: Car repair manuals for everyone.
Home
>>
Saab
>>
2010
>>
9-5 (9650) V6-2.8L Turbo
>>
Repair and Diagnosis
>>
Relays and Modules
>>
Relays and Modules - Brakes and Traction Control
>>
Electronic Brake Control Module
>>
Service and Repair
>>
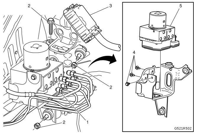
Electronic Brake and Traction Control Module With Brake Pressure Modulator Valve Replacement
Electronic Brake and Traction Control Module With Brake Pressure Modulator Valve Replacement
Electronic Brake and
Traction Control Module
with Brake Pressure Modulator Valve Replacement