Curiosii for ever!
: Car repair manuals for everyone.
Home
>>
Saab
>>
2010
>>
9-5 (9650) V6-2.8L Turbo
>>
Repair and Diagnosis
>>
Relays and Modules
>>
Relays and Modules - Brakes and Traction Control
>>
Electronic Brake Control Module
>>
Service and Repair
>>
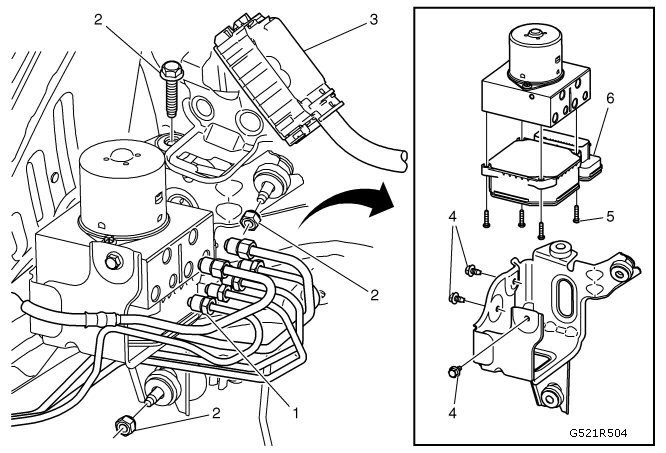
Electronic Brake Control Module Replacement
Electronic Brake Control Module Replacement
Electronic Brake Control Module
Replacement