Curiosii for ever!
: Car repair manuals for everyone.
Home
>>
Saab
>>
2010
>>
9-5 (9650) V6-2.8L Turbo
>>
Repair and Diagnosis
>>
Powertrain Management
>>
Computers and Control Systems
>>
Relays and Modules - Computers and Control Systems
>>
Body Control Module
>>
Diagrams
>>
Electrical Diagrams
>>
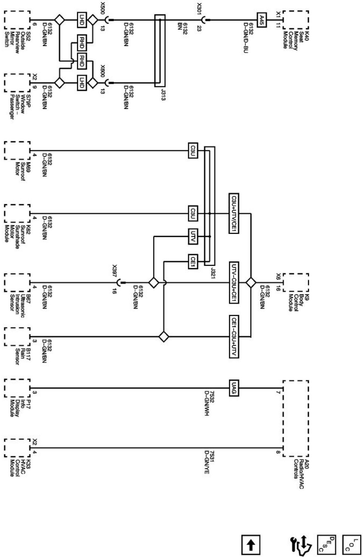
Local Interconnect Network (2 of 2)
Local Interconnect Network (2 of 2)
Power Supply Diagrams:
The diagrams for the power supplies that may be feeding this system (+30, +15, +54, +X, and +B) ) can be found at Power and Ground Distribution diagrams.
Electrical Diagrams