Curiosii for ever!: Car repair manuals for everyone.

Part 2

2. Loosely install the fixture plate bolts (2) into the remaining cylinder head bolt holes.
3. Position the alignment pin (1) through the bushing and into the cylinder head bolt hole.





4. With the alignment pin in the desired cylinder head bolt hole, tighten the fixture retaining bolts (2).
5. Remove the alignment pin (1) from the cylinder head bolt hole.

6. Note
- During the drilling process, it is necessary to repeatedly remove the drill and clean chips from the hole and the flutes of the drill.
- Drill the hole until the stop collar contacts the top of the drill bushing.

Drill out the threads of the damaged hole.





7. Note
All chips must be removed from the drilled hole prior to tapping.

Using compressed air, clean out any chips.





8. Note
- During the tapping process, it is necessary to repeatedly remove the tap and clean chips from the hole and the flutes of the tap.
- Ensure the tap has created full threads at least to the depth equal to the insert length.

Using a suitable tapping wrench, tap the threads of the drilled hole by hand only.





9. In order to tap the new threads for the insert to the proper depth, rotate the tap into the cylinder head bolt hole until the mark (3) on the tap aligns with the top of the drill bushing (2).





10. Note
Remove the fixture plate prior to installing the insert with the installer tool.

Remove the fixture plate bolts (2).





11. Remove the fixture plate (3) and bushing (1).

12. Note
All chips must be removed from the tapped hole prior to insert installation.

Using compressed air, clean out any chips.





13. Spray cleaner into the tapped hole.





14. Note
All chips must be removed from the tapped hole prior to insert installation.

Using compressed air, clean out any chips.





15. Note
Do not allow oil or other foreign material to contact the outside diameter (OD) of the insert.

Lubricate the threads of the driver installation tool (2) with the EN 42385-110 (1).





16. Install the insert (2) onto the driver installation tool (1).





17. Apply threadlock sealant, EN 42385-109, LOCTITE 277(R); or equivalent (1) to the insert OD threads (2).





18. Install the insert and installation driver (1) into the tapped hole by hand only.





19. Start the insert into the threaded hole.

20. Note
If the insert will not thread down until the flange contacts the counterbored surface, remove the insert immediately with a screw extracting tool and inspect the tapped hole for any remaining chips and/or improper tapping.

Install the insert until the flange of the insert contacts the counterbored surface.

21. Note
The driver installation tool will tighten up before screwing completely through the insert. This is acceptable. The threads at the bottom of the insert are being formed and the insert is mechanically locking the insert into the base material threads.

Continue to rotate the driver installation tool through the insert.
22. In order to completely form the new threads in the insert, rotate the driver installation tool through the insert until the mark (1) on the driver installation tool aligns with the surface of the engine block deck (2).





23. Inspect the insert for proper installation into the tapped hole.

Crankshaft Main Bolt Hole Thread Repair

Special Tools

- EN 42385-700 High Feature Thread Repair Kit
- EN 42385-2000 Thread Insert Kit





Note
- In order to repair some crankshaft main bolt holes it will be necessary to mount the fixture plate upside down.
- Do NOT remove the fixture plate prior to installing the insert with the installation driver. The fixture plate remains in position throughout the thread repair process.

The crankshaft main bearing bolt hole thread-repair tools are in the kits EN 42385-2000 insert kit and EN 42385-700 kit. The crankshaft main bearing bolt hole thread repair components consist of the following:

- EN 42385-702 Drill (1) for outboard holes
- EN 42385-703 Tap (2) for outboard holes
- EN 42385-704 Installation driver (3) for outboard holes
- EN 42385-726 Bushing (4) for outboard holes
- EN 42385-727 Alignment pin (5) for outboard holes
- EN 42385-728 Bolts (6) for outboard holes
- EN 42385-720 Drill (7) for inboard holes
- EN 42385-721 Tap (8) for inboard holes
- EN 42385-722 Installation driver (9) for inboard holes
- EN 42385-713 Bushing (10)
- EN 42385-308 Alignment pin (11)
- EN 42385-734 Bolts (12)
- EN 42385-712 Fixture plate (13)

Outboard Bolt Holes

Refer to Safety Glasses Warning.

Note
- Ensure the fixture plate is installed during the machining and installation processes of the insert.
- The use of a cutting type fluid, WD 40(R) or equivalent is recommended when performing the drilling, counterboring and tapping procedures.

When installed to the proper depth, the flange of the insert will be seated against the counterbore of the drilled/tapped hole.

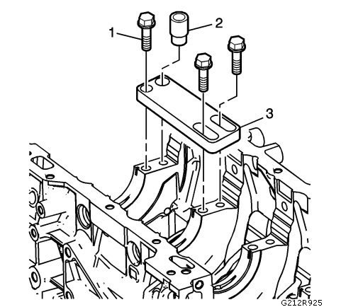
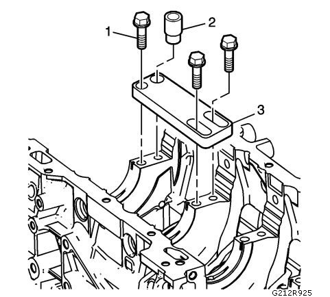
1. Position the fixture plate (3) with the bushing (2) installed over the crankshaft main cap bolt hole to be repaired.





2. Loosely install the fixture plate bolts (1) into the remaining crankshaft main cap bolt holes.
3. Position the alignment pin (1) through the bushing and into the crankshaft main cap bolt hole.





4. With the alignment pin in the desired crankshaft main cap bolt hole, tighten the fixture retaining bolts (2).
5. Remove the alignment pin (1) from the crankshaft main cap bolt hole.

6. Note
- During the drilling process, it is necessary to repeatedly remove the drill and clean chips from the hole and the flutes of the drill.
- Drill the crankshaft main bolt hole until the mark (1) on the drill aligns with the top of the drill bushing (2).

Drill out the threads of the damaged hole.





7. Note
All chips must be removed from the drilled hole prior to tapping.

Using compressed air, clean out any chips.





8. Note
- Do not remove the fixture plate, ensure the fixture plate is installed during the machining and installation processes of the insert.
- During the tapping process, it is necessary to repeatedly remove the tap and clean chips from the hole and the flutes of the tap.
- Ensure the tap has created full threads at least to the depth equal to the insert length.

Using a suitable tapping wrench, tap the threads of the drilled hole by hand only.





9. In order to tap the new threads for the insert to the proper depth, rotate the tap into the crankshaft main cap bolt hole until the mark (3) on the tap aligns with the top of the drill bushing (2).





10. Note
All chips must be removed from the tapped hole prior to insert installation.

Using compressed air, clean out any chips.





11. Spray cleaner into the tapped hole.





12. Note
All chips must be removed from the tapped hole prior to insert installation.

Using compressed air, clean out any chips.





13. Note
- Do not remove the fixture plate, ensure the fixture plate is installed during the installation process of the insert.
- Do not allow oil or other foreign material to contact the outside diameter (OD) of the insert.

Lubricate the threads of the driver installation tool (2) with the EN 42385-110 (1).





14. Install the insert (2) onto the driver installation tool (1).





15. Apply threadlock sealant, EN 42385-109, LOCTITE 277(R), or equivalent (1) to the insert OD threads (2).





16. Install the insert and installation driver into the tapped hole by hand only.





17. Start the insert into the threaded hole.

18. Note
If the insert will not thread down until the flange contacts the counterbored surface, remove the insert immediately with a screw extracting tool and inspect the tapped hole for any remaining chips and/or improper tapping.

Install the insert until the flange of the insert contacts the counterbored surface.

19. Note
The driver installation tool will tighten up before screwing completely through the insert. This is acceptable. The threads at the bottom of the insert are being formed and the insert is mechanically locking the insert into the base material threads.

Continue to rotate the driver installation tool through the insert.
20. Rotate the driver installation tool until the mark (3) on the driver installation tool aligns with the top of the drill bushing (2).





21. Inspect the insert for proper installation into the tapped hole.
22. Remove the fixture plate bolts (1).





23. Remove the fixture plate (3) and bushing (2).

Inboard Bolt Holes

1. Refer to Safety Glasses Warning.

Note
- Ensure the fixture plate is installed during the machining and installation processes of the insert.
- The use of a cutting type fluid, WD 40(R) or equivalent is recommended when performing the drilling, counterboring and tapping procedures.

When installed to the proper depth, the flange of the insert will be seated against the counterbore of the drilled/tapped hole.

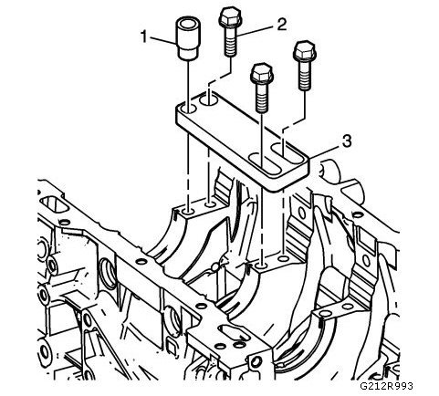
Position the fixture plate (3) with the bushing (1) installed over the crankshaft main cap bolt hole to be repaired.





2. Loosely install the fixture plate bolts (2) into the remaining crankshaft main cap bolt holes.
3. Position the alignment pin (1) through the bushing and into the crankshaft main cap bolt hole.





4. With the alignment pin in the desired crankshaft main cap bolt hole, tighten the fixture retaining bolts (2).
5. Remove the alignment pin (1) from the crankshaft main cap bolt hole.

6. Note
- During the drilling process, it is necessary to repeatedly remove the drill and clean chips from the hole and the flutes of the drill.
- Drill the crankshaft main bolt hole until the mark (1) on the drill aligns with the top of the drill bushing (2).

Drill out the threads of the damaged hole.





7. Note
All chips must be removed from the drilled hole prior to tapping.

Using compressed air, clean out any chips.





8. Note
- Do not remove the fixture plate, ensure the fixture plate is installed during the machining and installation processes of the insert.
- During the tapping process, it is necessary to repeatedly remove the tap and clean chips from the hole and the flutes of the tap.
- Ensure the tap has created full threads at least to the depth equal to the insert length.

Using a suitable tapping wrench, tap the threads of the drilled hole by hand only.





9. In order to tap the new threads for the insert to the proper depth, rotate the tap into the crankshaft main cap bolt hole until the mark (3) on the tap aligns with the top of the drill bushing (2).





10. Note
All chips must be removed from the tapped hole prior to insert installation.

Using compressed air, clean out any chips.





11. Spray cleaner into the tapped hole.





12. Note
All chips must be removed from the tapped hole prior to insert installation.

Using compressed air, clean out any chips.





13. Note
- Do not remove the fixture plate, ensure the fixture plate is installed during the installation process of the insert.
- Do not allow oil or other foreign material to contact the outside diameter (OD) of the insert.

Lubricate the threads of the driver installation tool (2) with the EN 42385-110 (1).





14. Install the insert (2) onto the driver installation tool (1).





15. Apply threadlock sealant, EN 42385-109, LOCTITE 277(R), or equivalent (1) to the insert OD threads (2).





16. Install the insert and installation driver into the tapped hole by hand only.





17. Start the insert into the threaded hole.

18. Note
If the insert will not thread down until the flange contacts the counterbored surface, remove the insert immediately with a screw extracting tool and inspect the tapped hole for any remaining chips and/or improper tapping.

Install the insert until the flange of the insert contacts the counterbored surface.

19. Note
The driver installation tool will tighten up before screwing completely through the insert. This is acceptable. The threads at the bottom of the insert are being formed and the insert is mechanically locking the insert into the base material threads.

Continue to rotate the driver installation tool through the insert.
20. Rotate the driver installation tool until the mark (3) on the driver installation tool aligns with the top of the drill bushing (2).





21. Inspect the insert for proper installation into the tapped hole.
22. Remove the fixture plate bolts (2).





23. Remove the fixture plate (3) and bushing (1).