Curiosii for ever!: Car repair manuals for everyone.

Engine Controls Schematics



Control module engine, schematics

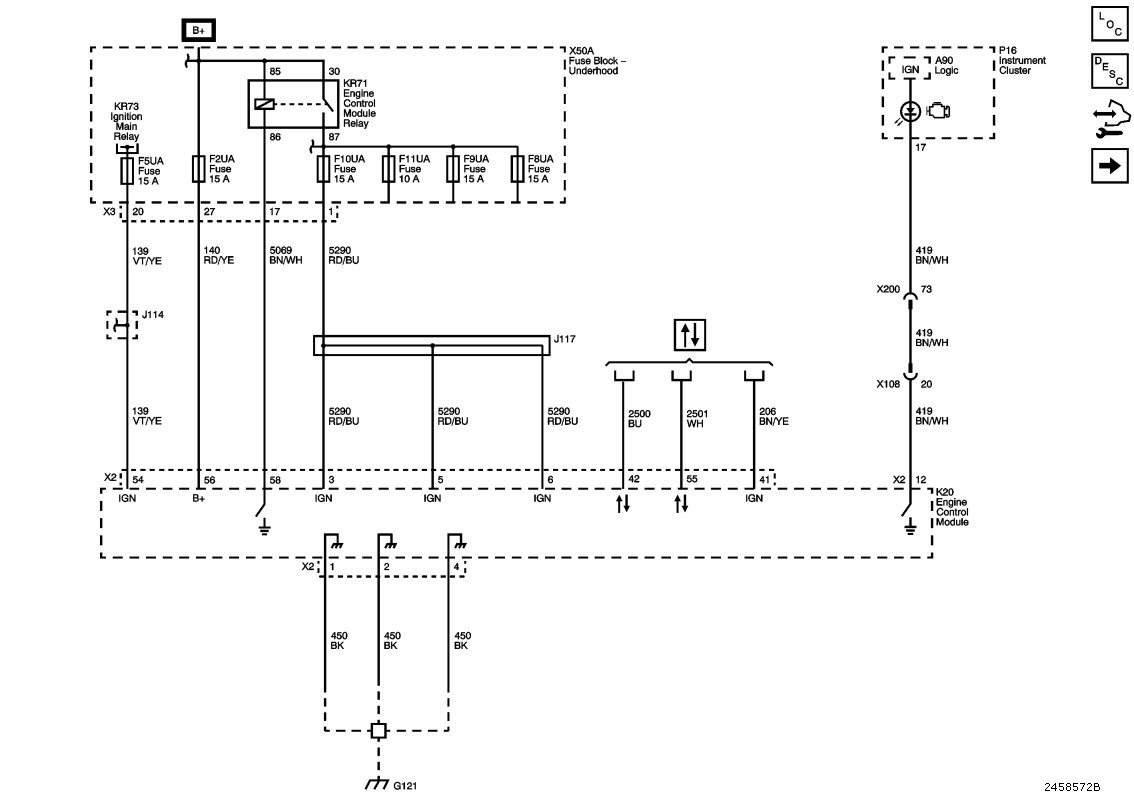
Module Power, Ground, Serial Data, and MIL










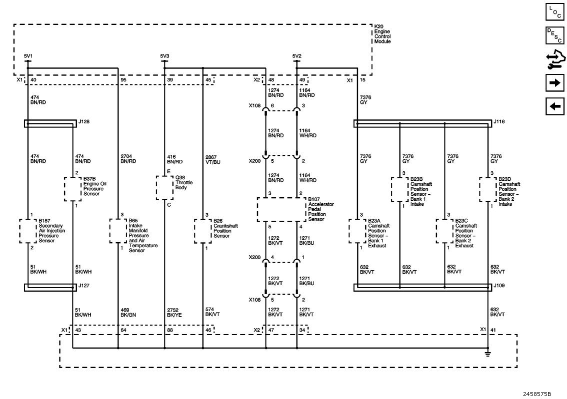
5-Volt Reference and Low Reference










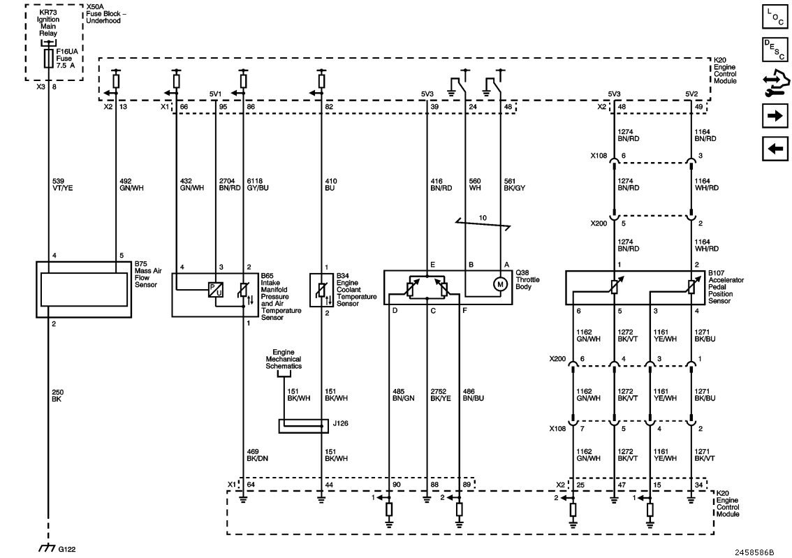
Engine data sensors - pressure, temperature, and throttle control










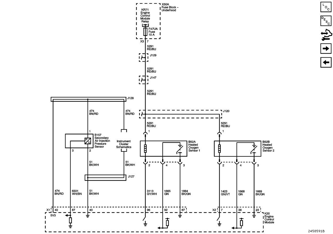
Engine data sensors - oxygen sensors










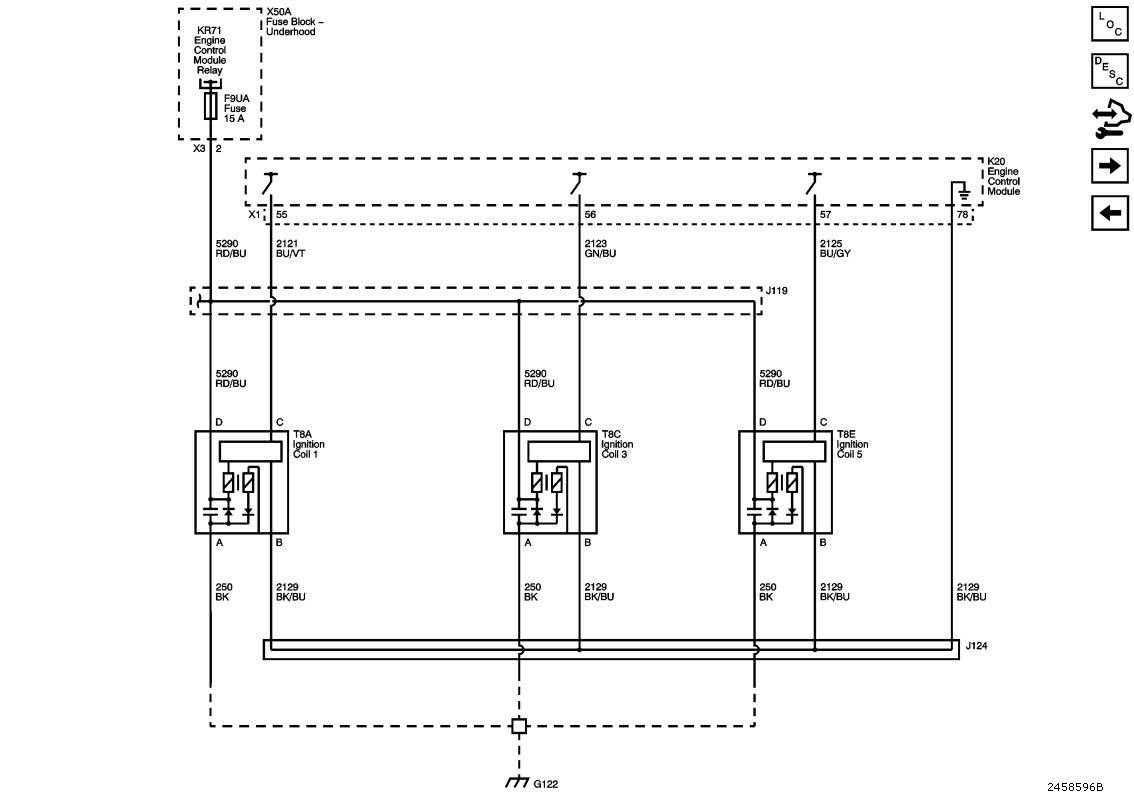
Ignition Controls - Ignition System Coils 1, 3 and 5










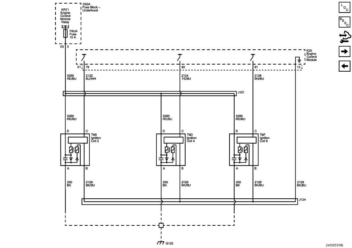
Ignition Controls - Ignition System Coils 2, 4 and 6










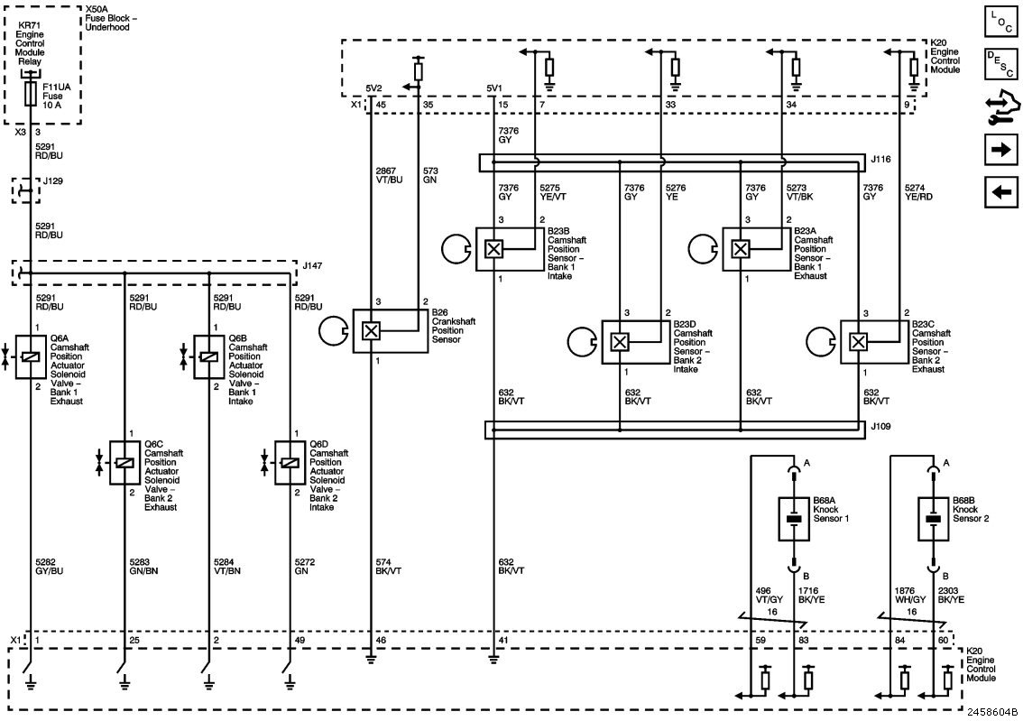
Ignition controls - sensors










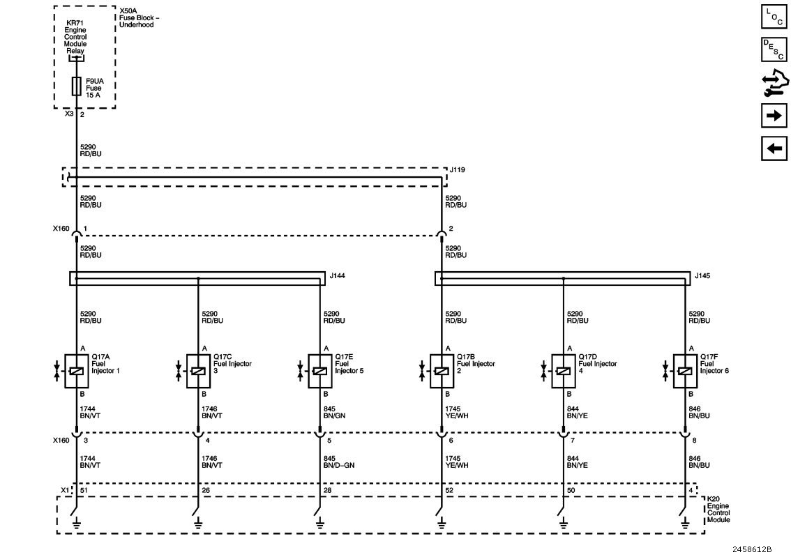
Fuel control - fuel injectors










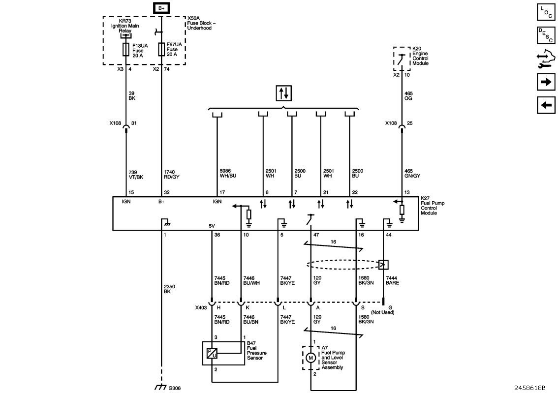
Fuel control - fuel pump and fuel pressure sensor










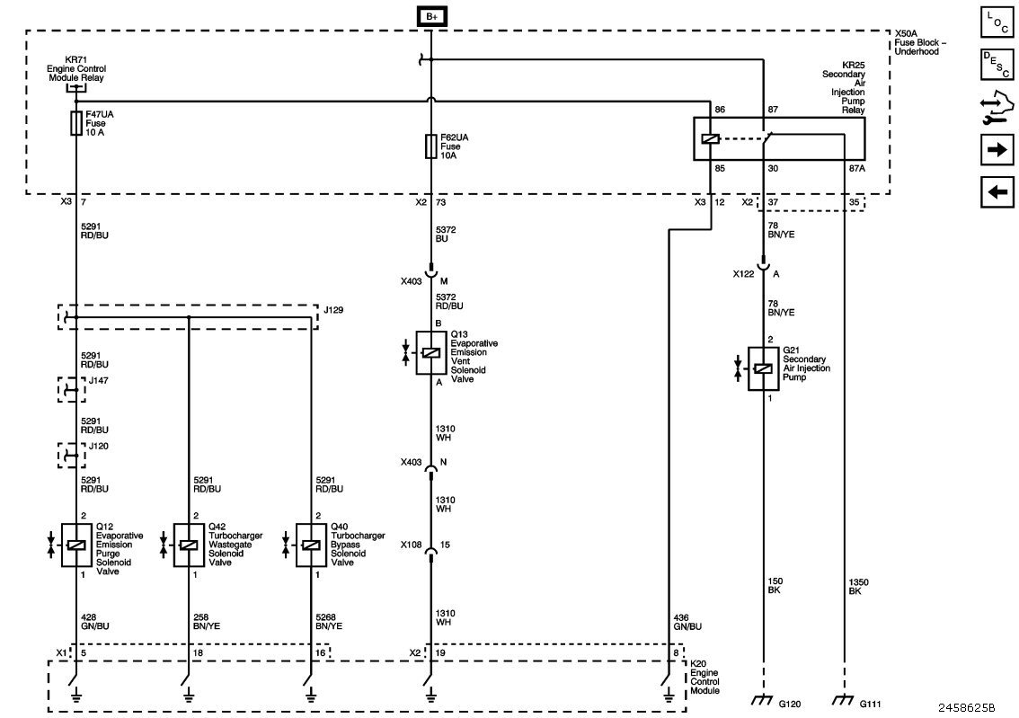
Turbocharger, Secondary Air Injection, and EVAP Emissions Controls










Controlled/Monitored Subsystem References