Curiosii for ever!
: Car repair manuals for everyone.
Home
>>
Saab
>>
2009
>>
9-5 (9600) L4-2.3L Turbo
>>
Repair and Diagnosis
>>
Windows and Glass
>>
Windows
>>
Locations
Windows: Locations
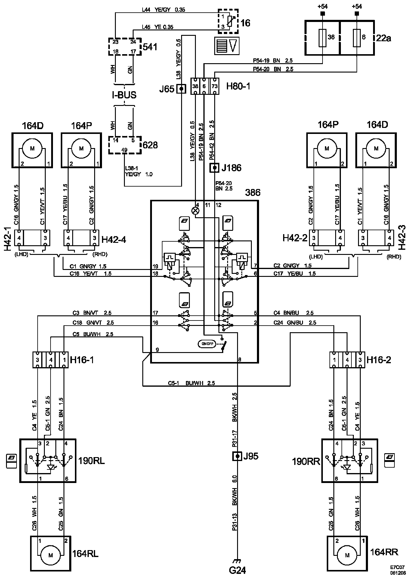
Electric Window Lifts
Electric Window Lifts:
Component List: