Curiosii for ever!: Car repair manuals for everyone.

Gear Selector Position Sensor, Reversing Light Switch

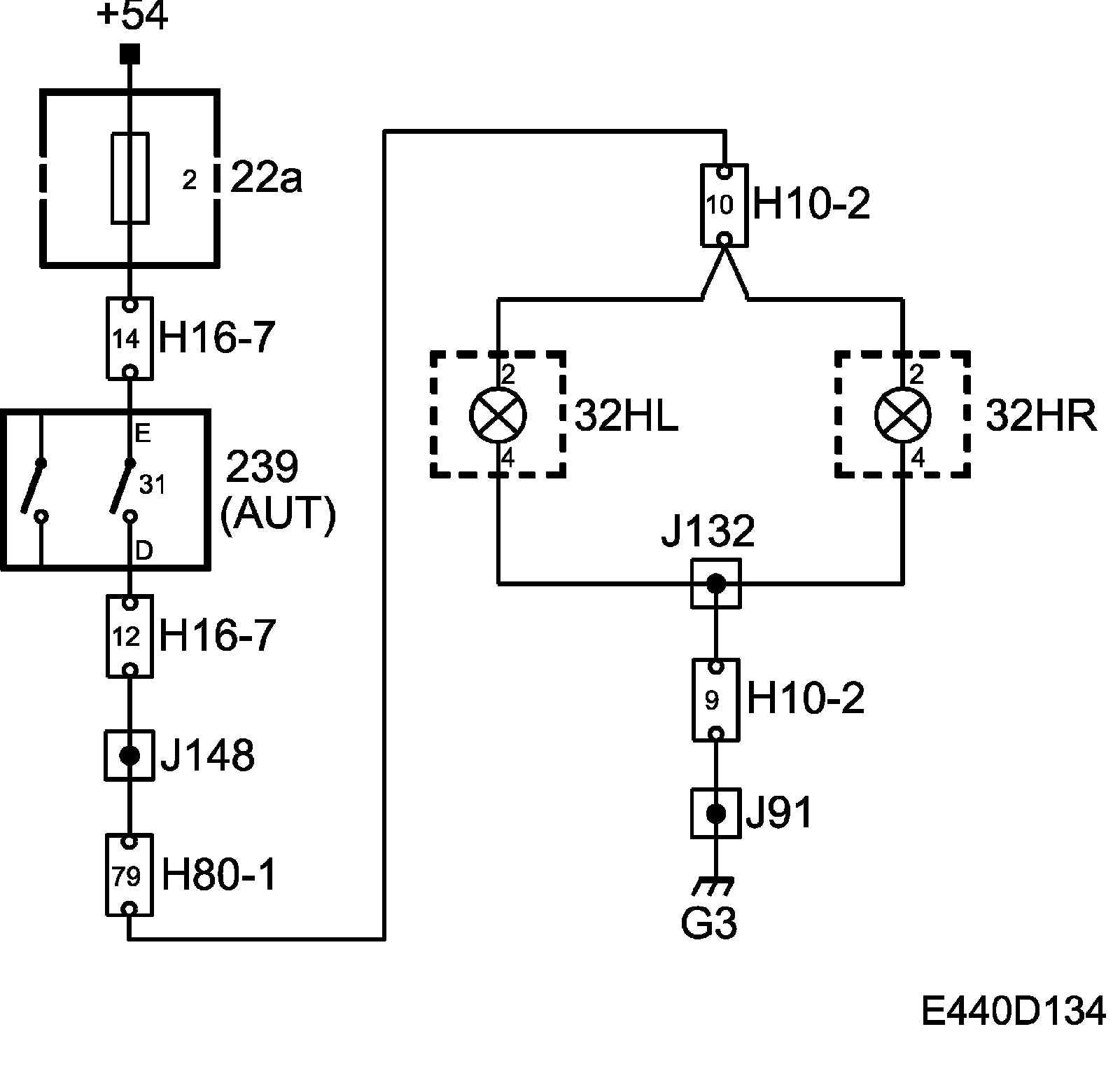
Gear selector position sensor, reversing light switch








On cars with automatic transmission, the reversing light switch (31) is integrated with the selector lever position sensor.

The switch function (31) pins E and D are used to control the reversing lights.

With the selector lever in position R the switch is closed, in all other selector lever positions the switch is open.

The switch supplies power to all reversing lights.