Curiosii for ever!: Car repair manuals for everyone.

Diagnostics Communication



Diagnostics Communication

Systems with communication cable to the data link connector

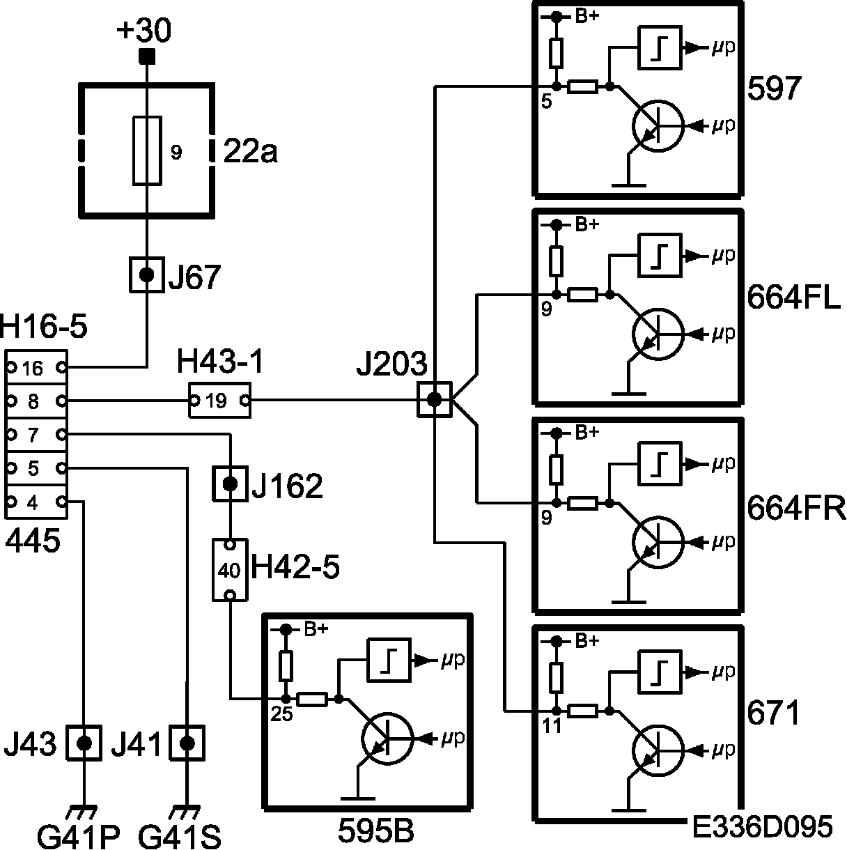
Cars with petrol engine:







Cars with diesel engine:







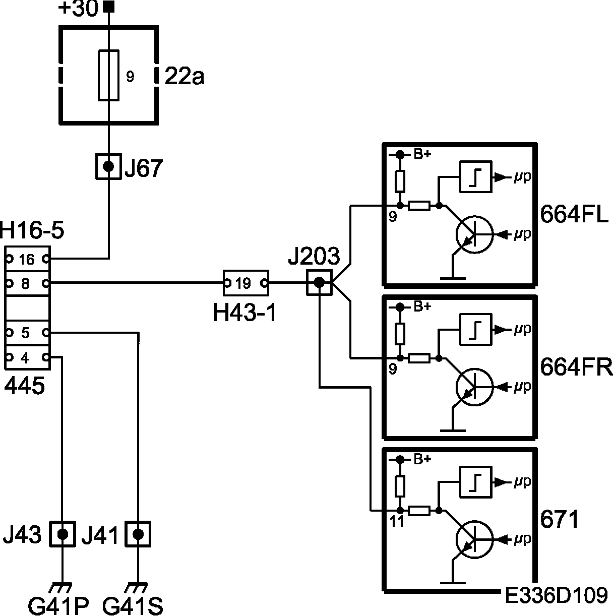
The systems that are not connected to the bus, AHL (Automatic Headlamp Levelling), the additional heater for diesel (DAH) and the OnStar control module are each connected to the data link connector by means of their own communication cable.

The ESP control module is connected to a bus, but diagnostic communication goes via a communication lead.

The diagnostic tool communicates digitally and serially with the selected system. Digitally means that the voltage difference between the lead and ground only has two values. In this case, approx. 0 V and B+. The information is coded so that different combinations of 0 V and B+ pulses mean different things, such as whether the DAH or AHL should be called.

Serial means that the information is sent in "packets" which are transmitted one after the other in rapid succession.

Diagnosis

If none of the systems can be contacted, the fault may be either in the car or the diagnostic tool. If the diagnostic tool can contact one of the systems concerned in another car, then the fault is in the car.

Check first that the control module is awake. The ESP and AHL warning lamps are tested by the control module directly after the ignition is switched on. If the control module is awake, the fault is probably localised to the lead between the data link connector and the control module.

If Trionic receives no communication from the ESP for 3 seconds during operation, DTC P1625 is set.

Cars with petrol engine:







Cars with diesel engine: