Curiosii for ever!
: Car repair manuals for everyone.
Home
>>
Saab
>>
2009
>>
9-5 (9600) L4-2.3L Turbo
>>
Repair and Diagnosis
>>
Diagrams
>>
Electrical Diagrams
>>
Radio, Stereo, and Compact Disc
>>
System Diagram
>>
Audio/Navigation, Main Unit
>>
4D
4D
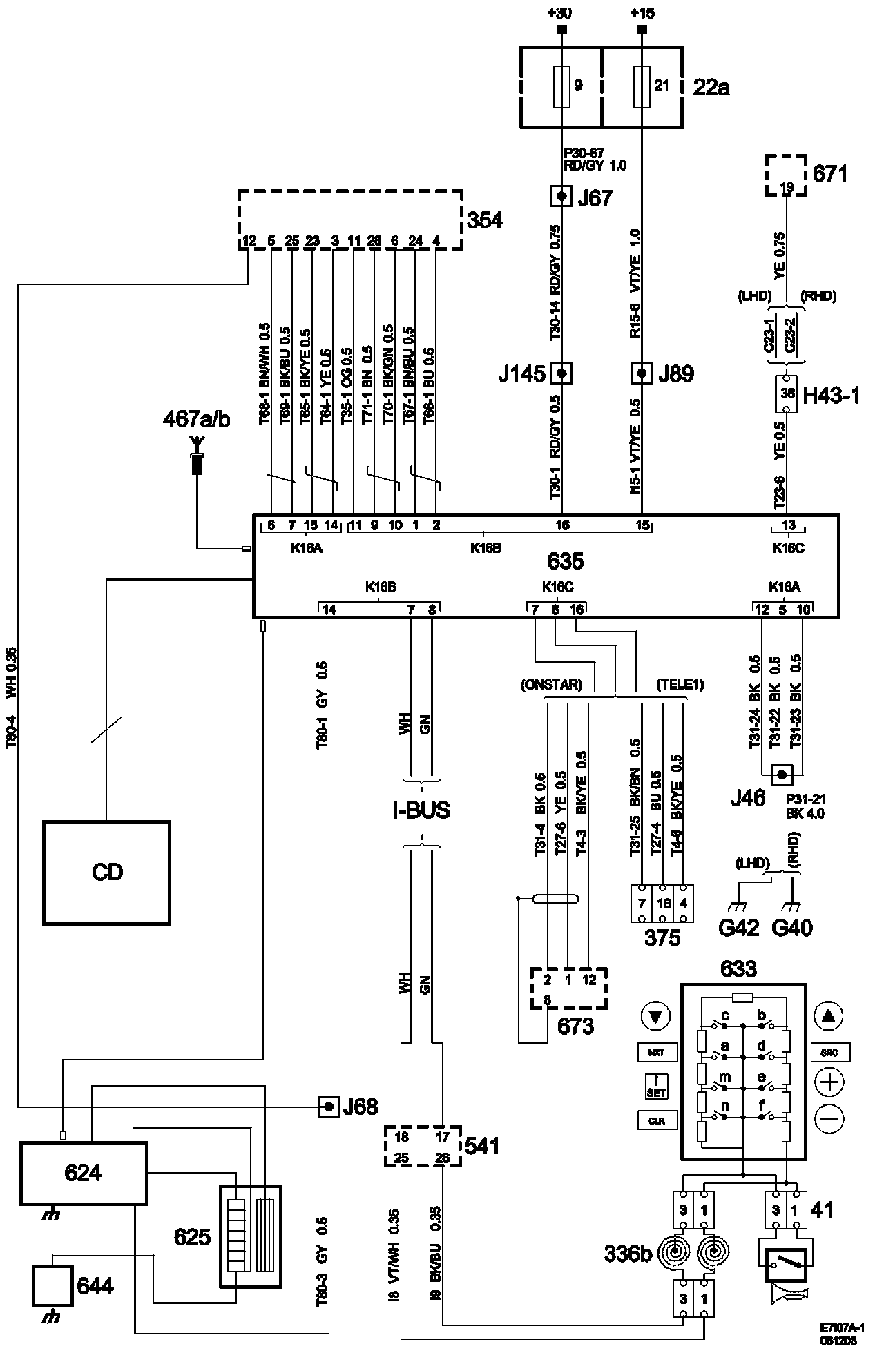
Audio/navigation, Main Unit 4D
Audio/Navigation, Main Unit 4D:
List of components
List Of Components (Part 1):
List Of Components (Part 2):
List Of Components (Part 3):