Curiosii for ever!
: Car repair manuals for everyone.
Home
>>
Saab
>>
2009
>>
9-5 (9600) L4-2.3L Turbo
>>
Repair and Diagnosis
>>
Diagrams
>>
Electrical Diagrams
>>
Control Module, A/T
>>
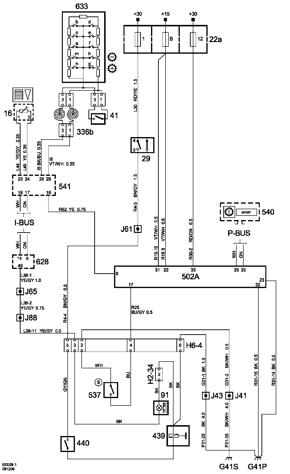
Transmission Control Module (TCM), (Part 1/2)
Transmission Control Module (TCM), (Part 1/2)
Transmission Control Module (TCM), (Part 1/2)
Transmission Control Module (TCM), (Part 1/2):
List of components
List Of Components (Part 1):
List Of Components (Part 2):
List Of Components (Part 3):