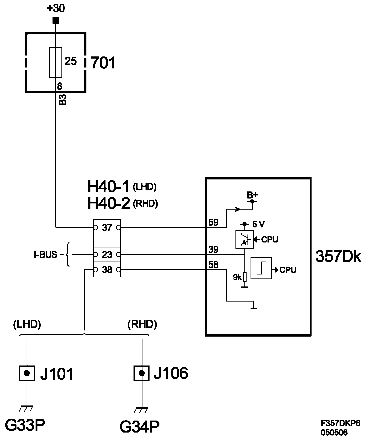
Electrically Adjustable Driver's Seat With Memory Control Module (357Dk)
Electrically Adjustable Driver's Seat With Memory Control Module (357Dk)
Location
Main task
The main function of the control module is to:
^ Read the status of the seat button
^ Control and power the driver's seat motors
^ Store the memory for 3 different seat positions
^ Send information on the bus if the memory button is activated, used by DDM and PDM for the memory for the rearview mirrors
Has a microprocessor, see Control modules, general description. Can be programmed with SPS (Service Program System).
Power supply, ground and bus communication