Curiosii for ever!: Car repair manuals for everyone.

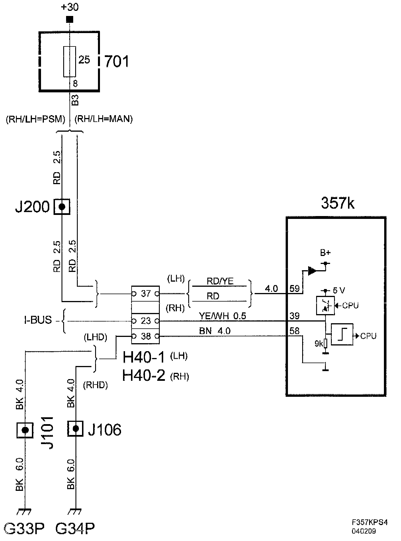
Control Module, Seat (357k)



Control Module, Seat (357k)







Main task
The main task of the control module is to:
^ Read the status of the seat button
^ Control and supply the driver's seat motors
^ Store the memory for the seat length position.

Type
Has a microprocessor, see Control modules, general description. Can be programmed with SPS (Service Program System).

Power supply, ground and bus communication