Curiosii for ever!: Car repair manuals for everyone.

Condenser HVAC: Service and Repair



Condenser Replacement (LL8)

Special Tools

J 39400-A Halogen Leak Detector

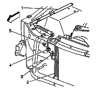
Removal Procedure

1. Recover the refrigerant. Refer to Refrigerant Recovery and Recharging (Refrigerant Recovery and Recharging).




2. Remove the compressor discharge hose nut (1) from the condenser.
3. Remove the compressor discharge hose (2) from the condenser.




4. Remove the hood latch. Refer to Hood Replacement (Service and Repair).
5. Remove the head lamp housing panel. Refer to Headlamp Housing Panel Replacement (Headlamp Housing Panel Replacement).
6. Remove the radiator diagonal brace. Refer to Radiator Support Diagonal Brace Replacement (Service and Repair).
7. Remove the bolts from the upper radiator support.
8. Remove the upper radiator support.
9. Remove the evaporator tube nut (5) from the condenser.
10. Remove the evaporator tube (4) from the condenser.
11. Remove the studs from the condenser inlet and outlets.
12. Remove the condenser LH upper bracket bolt and bracket.
13. Remove the condenser to radiator bolts.
14. Remove the condenser from the radiator.

Installation Procedure





Important: If replacing the condenser, add the refrigerant oil to the condenser. Refer to Refrigerant System Capacities (First Design Compressor) (Refrigerant System Capacities (First Design Compressor))Refrigerant System Capacities (Second Design Compressor) (Refrigerant System Capacities (Second Design Compressor)) for the capacity information.


1. Install the condenser to the radiator.

Notice: Refer to Fastener Notice (Fastener Notice).

2. Install the condenser to the radiator bolts.

Tighten the bolts to 9 Nm (80 in. lbs.).

3. Install the condenser LH upper bracket bolt and bracket.

Tighten the bolt to 9 Nm (80 in. lbs.).

4. Install the studs to the condenser inlet and outlets.

Tighten the studs to 4.5 Nm (40 in. lbs.).

5. Install the evaporator tube (4) to the condenser.
6. Install the evaporator tube nut (5) to the condenser.

Tighten the nut to 28 Nm (21 ft. lbs.).

7. Install the upper radiator support bar.
8. Install the bolts to the upper radiator support bar.

Tighten the bolts to 50 Nm (37 ft. lbs.).

9. Install the radiator diagonal base. Refer to Radiator Support Diagonal Brace Replacement (Service and Repair).
10. Install the head lamp housing panel. Refer to Headlamp Housing Panel Replacement (Headlamp Housing Panel Replacement).
11. Install the hood latch. Refer to Hood Replacement (Service and Repair).




12. Connect the compressor discharge hose (2) to the condenser.
13. Install the compressor discharge hose nut (1) to the condenser.

Tighten the nut to 16 Nm (12 ft. lbs.).

14. Evacuate and recharge the A/C system. Refer to Refrigerant Recovery and Recharging (Refrigerant Recovery and Recharging).
15. Leak test the fittings of the components using J 39400-A.