Curiosii for ever!: Car repair manuals for everyone.

Battery, Cleaning and Checking



Battery, Cleaning And Checking






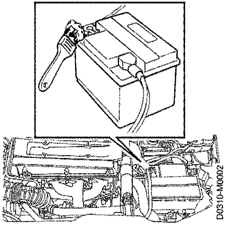
Clean, check and grease the battery terminals. Check the battery mountings and vent hose.

IMPORTANT: Do not disconnect the battery cables if it is not necessary. If a battery cable has been disconnected, the clock must be set to the correct time.






Inspect the positive cable connected between the battery and the starter motor for damage.