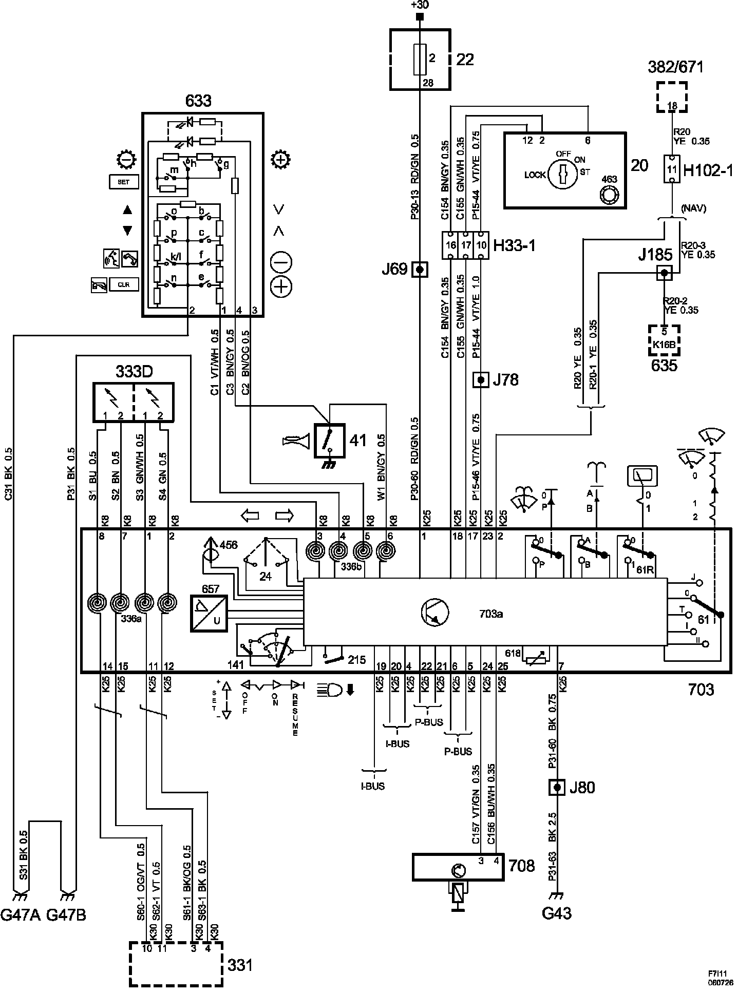
Steering Mounted Controls Communication Module
Column Integration Module:
List Of Components (Part 1):
List Of Components (Part 2):
List Of Components (Part 3):
List Of Components (Part 4):
List Of Components (Part 5):
Power Supply Diagrams: The diagrams for the power supplies that may be feeding this system (+30, +15, +54, +X, and +B) can be found at Power and Ground Distribution diagrams. Electrical Diagrams