Curiosii for ever!: Car repair manuals for everyone.

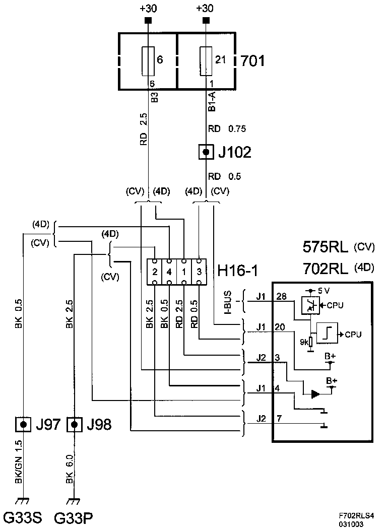
Control Module, Window Lift, Rear, LH (575RL)



Control Module, Window Lift, Rear, LH (575RL), CV





Main purpose
The primary function of the RLDM is to control and supply the rear left-hand window lift (with optional pinch protection function).

The RLDM also has comfort function logic which under certain circumstances allows activation of seats, mirrors and window lifts when the ignition is off.

Type
Internally there is a microprocessor with clock, RAM and a flash EPROM. An internal bus which connects the processor and memory with the I/O unit. The I/O unit is responsible for reading in the values of A/D converted analogue inputs, digital inputs, bus signals and for activating transistors in the output amplifier.

For further information about the control module see Control module, general description

Power supply, ground and bus communication