Curiosii for ever!: Car repair manuals for everyone.

Electrical Diagrams



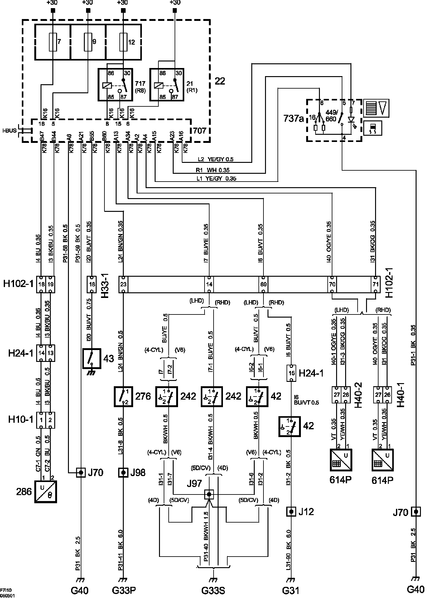
Panel Electronics Module:




List Of Components (Part 1):




List Of Components (Part 2):




List Of Components (Part 3):




List Of Components (Part 4):





Power Supply Diagrams: The diagrams for the power supplies that may be feeding this system (+30, +15, +54, +X, and +B) can be found at Power and Ground Distribution diagrams. Electrical Diagrams