Curiosii for ever!: Car repair manuals for everyone.

Coolant Temperature Sensor/Switch (For Computer): Description and Operation



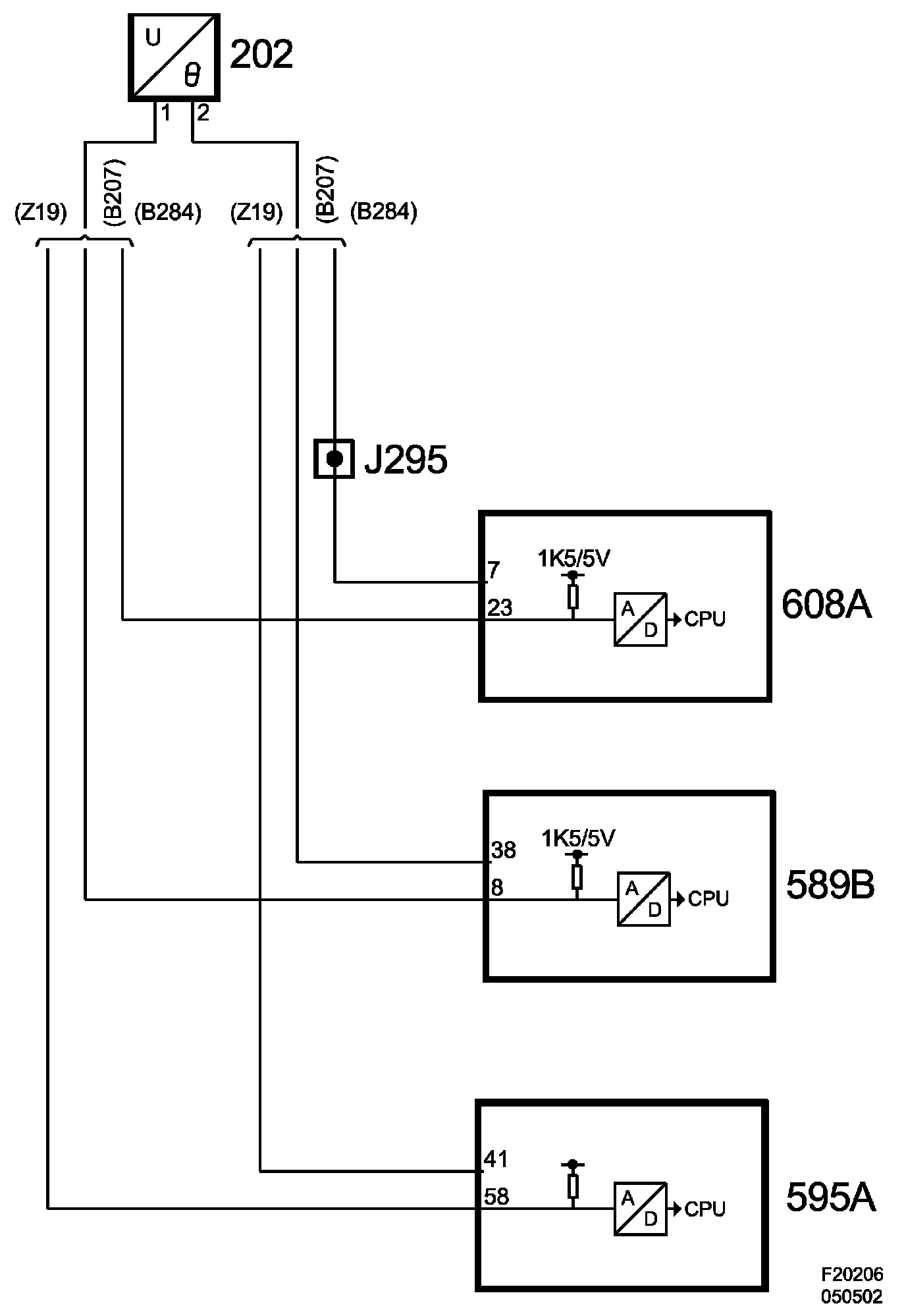
Coolant Temperature Sensor (202)





Main task
Informs the control module of current coolant temperature.

The value from the temperature sensor is used for:
^ controlling the radiator fans
^ determining injection duration during preinjection
^ determining injection duration during starter motor cranking
^ after-start enrichment
^ determining when closed loop should be engaged
^ correcting idling speed.

Type
The temperature sensor is of NTC type.

Connection