Curiosii for ever!: Car repair manuals for everyone.

Air Flow Meter/Sensor: Description and Operation



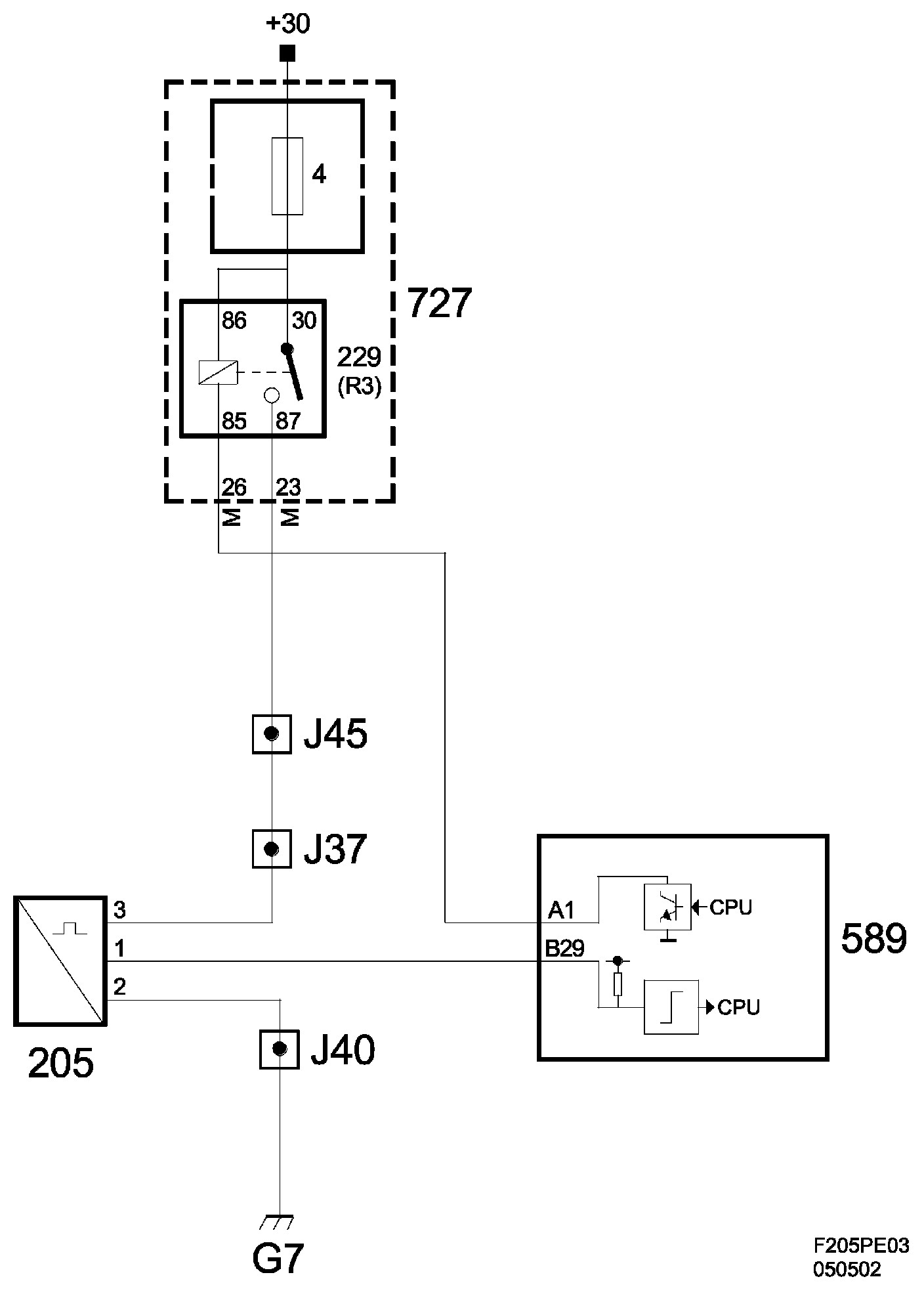
Mass Air Flow Sensor (205)





Main task
Sends frequency-modulated information on air mass flow to the control module and serves as main sensor for fuel injection.

Type
The mass air flow sensor contains two PTC resistors (RH) connected in parallel that are located in the air stream and are electrically heated to 220 degrees C above air temperature.

Air temperature is measured with a special PTC resistor (RS).

Connection











When airflow increases, higher voltage is required to keep the temperature difference constant. The necessary voltage is converted to ground pulses, the frequency of which increases with the air mass flow.

The mass air flow sensor is grounded in grounding point G7 and power is supplied from the main relay. Note that the control module has a pull-up to 5 V on control module input pin 29(B) and that the mass air flow sensor pulses to ground.

When the ignition is switched "ON", the main relay pulls and B+ is supplied to mass air flow sensor pin 3. Current passes RT and the low-ohm heat resistors RH via R1 to ground. Because the RH resistors are cold, resistance is low. The amplifier then sends a powerful base current to transistor T1, which quickly warms RH. As RH warms, resistance gradually increases and a state of equilibrium is created.

If RH is cooled by a stream of air, its temperature will be increased again immediately by increased current through transistor T1. The voltage needed to keep RH resistance constant is fed to a frequency converter which in turn controls transistor T2. T2 grounds the control module input with a frequency corresponding to air mass flow. The ground pulses are 40 ms long.

Temperature sensor resistor RS, together with R2, is part of a circuit whose purpose is to correct amplifier A so that RH's temperature is always 220 degrees C above the air temperature.

The control module coverts the frequency to grams of air per second and then, using the value from the crankshaft position sensor, to milligrams of air per combustion. This unit is written as mg/c (milligrams per combustion) and constitutes the primary measurement value for fuel injection. 14.7 mg/c normally uses 1 mg fuel. This value is also a good gauge of engine torque or load.