Curiosii for ever!: Car repair manuals for everyone.

Body Control Module: Description and Operation



Control Module, BCM (707)





Main task
^ The exterior and interior lighting
^ Direction indicators and hazard warning lights
^ Central locking system
^ Anti-theft alarm
^ Time and date
^ Gateway between the two galvanically separated I-buses.
^ Comfort opening/Comfort closing

The BCM also has the task of gathering information from
^ Parking brake switch
^ Level sensor for coolant/brake fluid
^ Outside temperature sensor
^ Seat belt warning
^ Switch, TCS/ESP
^ Rheostat, instrument illumination
^ Anti-theft alarm bonnet switch,

Type
The BCM has a microprocessor with clock, RAM memory and a flashable ROM. An internal bus that interconnects the processor and memory with the I/O unit. The I/O unit answers for gathering values from the A/D converter for analogue inputs, digital inputs, bus and to activate the transistors in the power amplifiers.

For information on the control module, see Control modules, general description.

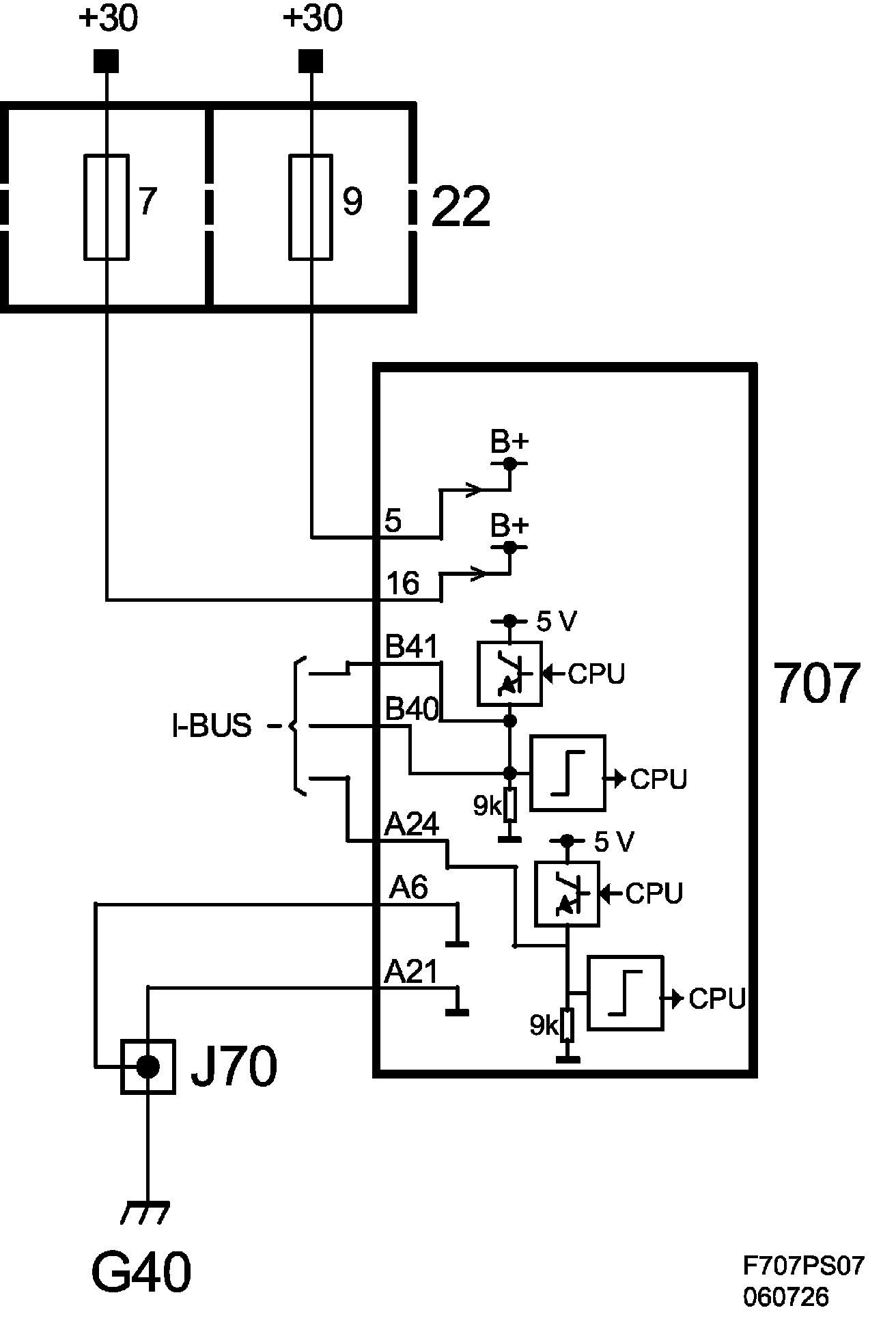
Power supply, ground and bus communication





+30 is fed via the connector which is directly connected to the main fuse box.