Curiosii for ever!
: Car repair manuals for everyone.
Home
>>
Saab
>>
2006
>>
9-2X F4-2.5L
>>
Repair and Diagnosis
>>
Transmission and Drivetrain
>>
Automatic Transmission/Transaxle
>>
Shift Interlock
>>
Testing and Inspection
>>
Symptom Related Diagnostic Procedures
>>
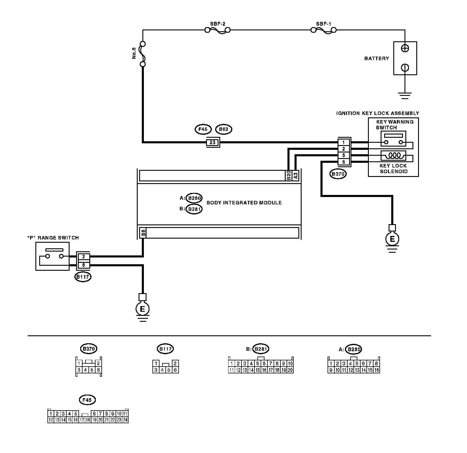
Key Interlock Does Not Lock or Release
Key Interlock Does Not Lock or Release
Key Interlock Does Not Lock or Release:
Step 1 - Step 8:
Step 9 - Step 15: