Curiosii for ever!
: Car repair manuals for everyone.
Home
>>
Saab
>>
2006
>>
9-2X F4-2.5L
>>
Repair and Diagnosis
>>
Transmission and Drivetrain
>>
Automatic Transmission/Transaxle
>>
Description and Operation
>>
Automatic Transmission (4 AT)
>>
Transmission Control Module (TCM)
>>
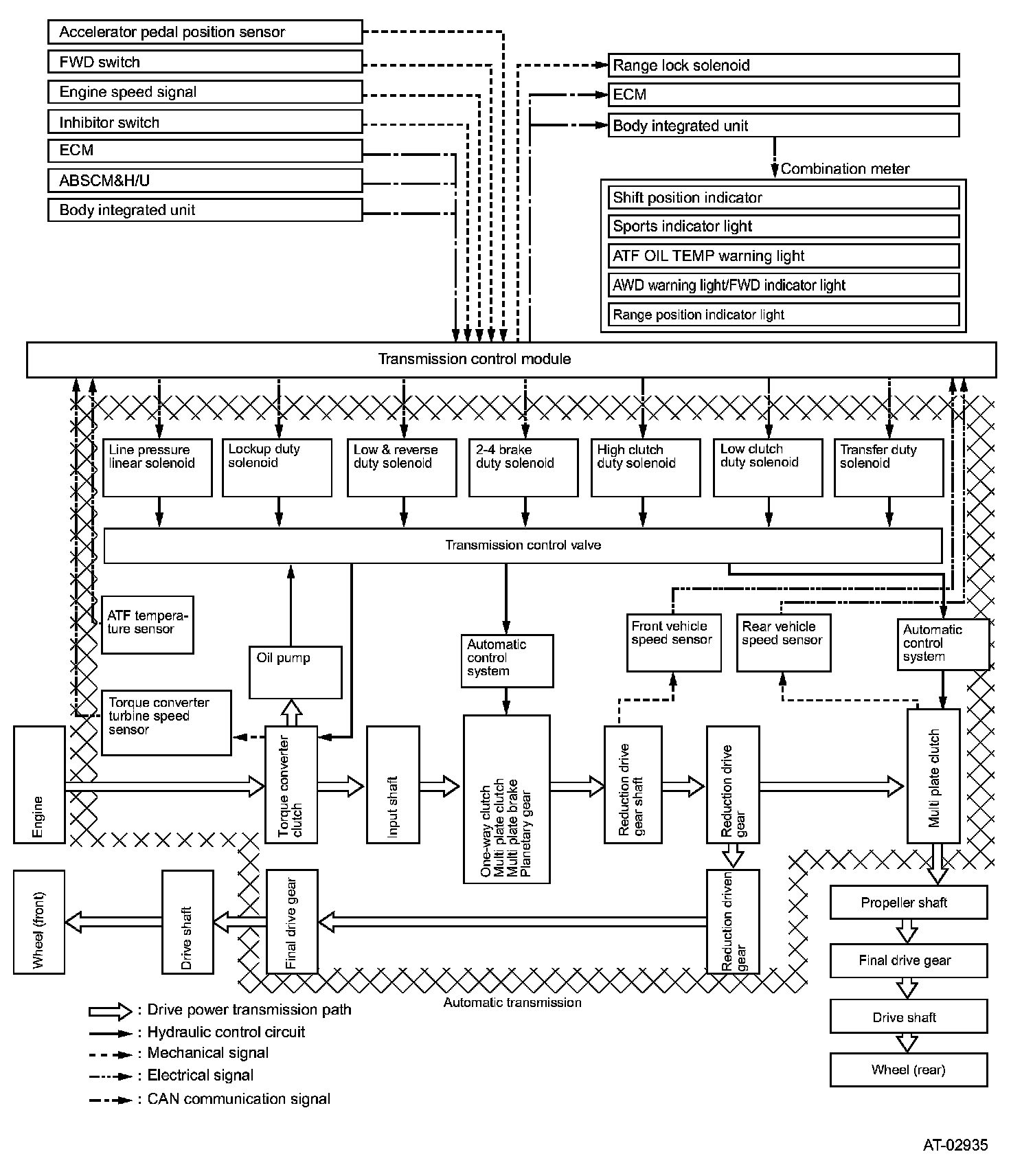
Schematic Diagram
Schematic Diagram
Schematic Diagram: