Curiosii for ever!
: Car repair manuals for everyone.
Home
>>
Saab
>>
2006
>>
9-2X F4-2.5L
>>
Repair and Diagnosis
>>
Specifications
>>
Mechanical Specifications
>>
Drive/Propeller Shaft
>>
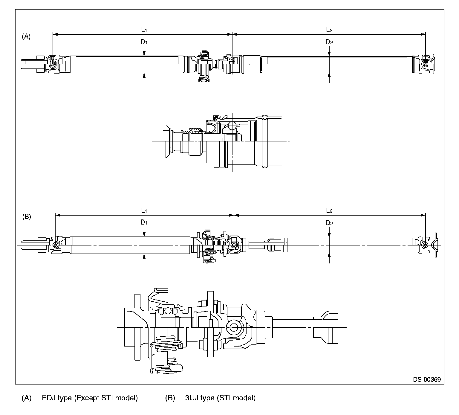
Propeller Shaft Dimensions
Propeller Shaft Dimensions
Propeller Shaft Dimensions 1:
Propeller Shaft Dimensions 2: