Curiosii for ever!: Car repair manuals for everyone.

Ground Distribution



GND-01:




GND-02:




GND-03:




GND-04:




GND-05:




GND-06:




GND-07:




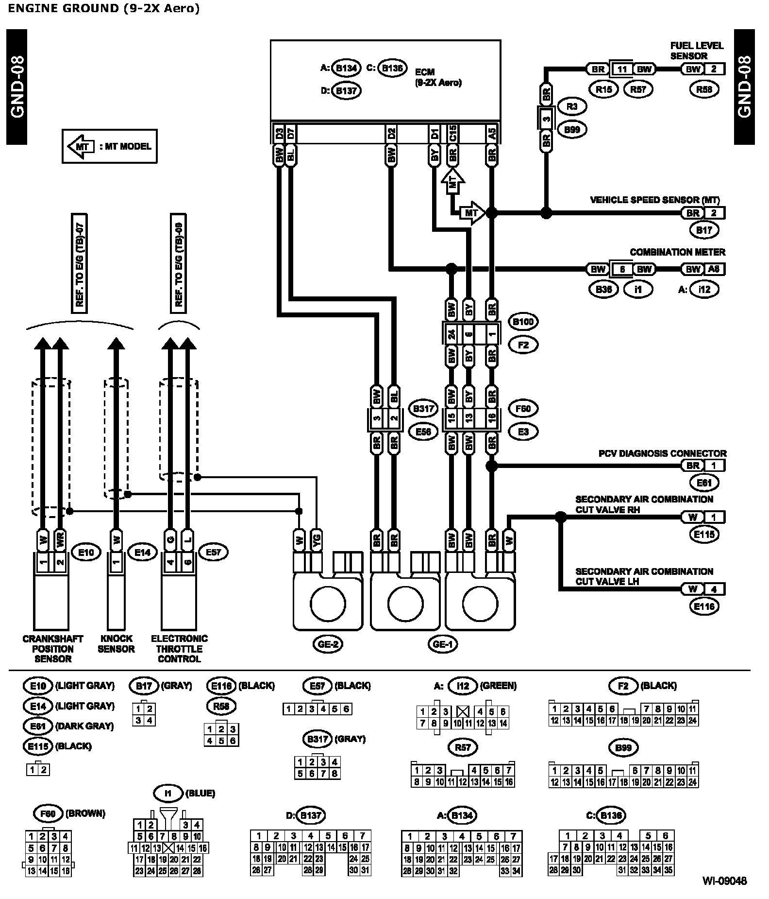
GND-08:




GND-09:





Diagrams: Other diagrams referred to by name within these diagrams (i.e. "REF. TO GND-01", etc) can be found at Diagrams by Diagram Name. Diagrams By Diagram Name

Connector and Ground Locations: The locations of the Connectors or Grounds shown within these diagrams can be found via the connector or ground number at Vehicle Locations. Locations